EasyManua.ls Logo

Philips Q552.2E - Page 90

Philips Q552.2E
204 pages
Print Icon
To Next Page IconTo Next Page
To Next Page IconTo Next Page
To Previous Page IconTo Previous Page
To Previous Page IconTo Previous Page
Loading...
EN 90Q552.2E LA 10.
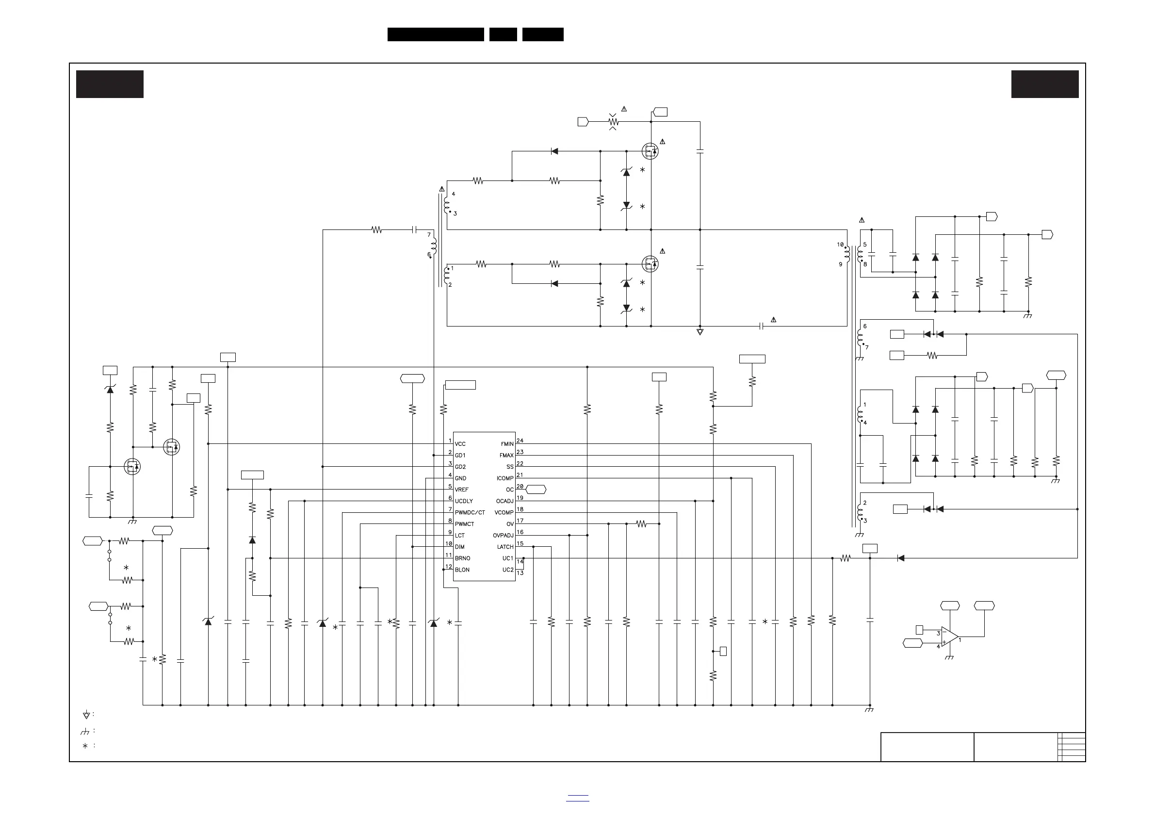
Circuit Diagrams and PWB Layouts
2011-Jun-01
back to
div. table
Switching Power Supply
18777_010_110530.eps
110530
Switching Power Supply
A02 A02
2010-09-27
1
DPS-186FP A
Switching Power Supply
Primary GND
Secondary GND
No Components
OCD
VREF
C701
OCD'
CP2
D707
R713
R715
R718
R723 R730
R736
POK
12V''
BROWN
C702
Q701
Q702
R717
R719
R720
R721
R722
R738
ZD702
BL-DIM
R714
R733
C704
C710
C712
C715
C716AC716B
C717
C729
C730
C732
C734
CP1
R716
R732
R734
R737
ZD707
ZD708
ZD717
UC1'
VREF
C731
R746
T302
D702
R705
R706
R707
D703
R702
R703
R704
C703
Q701A
ZD703ZD704
BL-I-CTRL
C705
C706
Q701B
ZD705ZD706
B+
B++
R634
OV1
12V''
C707A
C707B
D712D713
D714D715
D780A
R760
T301
A1
A2
A3
OCD
C752A C752B
C752C C752D
R782A
R782B
C
C722
C723
C724
C725
C726
C728
C733
C737
C745
C746
R727
R729
R739
R788
R790
IC701
OCD'
BL-ON-OFF
R728
R735
OV1
R711
R726R731
R786
OV1'
R787
VREF
OV1
UC1'
D704
D780B
R791
C707C
C707D
D708D709
D710D711
A4
C752E C752F
C752G C752H
R750
R751
R782C
R782D
OCD'
C
OCD
C727
IC702
R724
R725
R792

Table of Contents

Related product manuals