EasyManua.ls Logo

Philips Q552.2E - Page 97

Philips Q552.2E
204 pages
Print Icon
To Next Page IconTo Next Page
To Next Page IconTo Next Page
To Previous Page IconTo Previous Page
To Previous Page IconTo Previous Page
Loading...
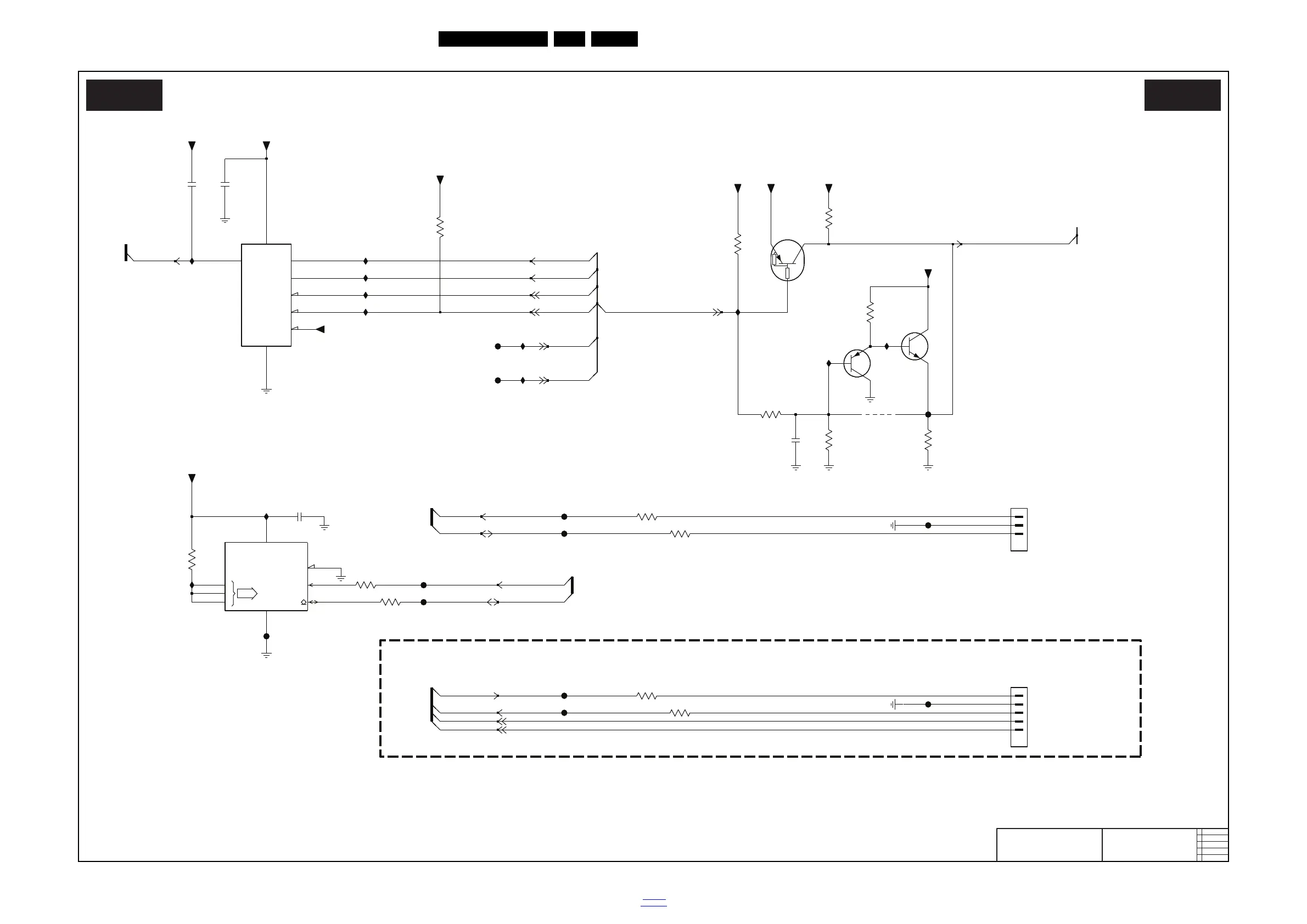
Circuit Diagrams and PWB Layouts
EN 97Q552.2E LA 10.
2011-Jun-01
back to
div. table
PNX85500 Control
19100_005_110114.eps
110211
PNX85500 Control
B01E B01E
2010-12-10
4
3139 123 6495
SPB SSB TV550
2K11 4DDR EU
SCL
ADR
0
1
2 SDA
WC
D
C
S
W
HOLD
VSS
Q
VCC
DEBUG ONLY
UP
DEBUG / RS232 INTERFACE
LEVEL
FOR
SDA
SCL
USE ONLY
SHIFTED
DEBUG
MAIN NVM
FF64
7
RES
1
2
3
4
5
6
1F51
47K
3F68
IF58
RES
7
2
1
84
3
7F52
M25P05-AVMN6
FLASH
512K
Φ
6
5
5
3
4
+3V3
RES
7F54-2
BC847BPN(COL)
10K
3F66
100R
3F65
RES
+3V3-STANDBY
IF59
+3V3-STANDBY
RES
PDTA114EU
7F53
IF62
FF29
FF04
IF51
3F54
1K0
IF53
RES
IF52
FF65
5
84
7
RES
1u0
2F53
(8K × 8)
1
2
3
6
FF62
Φ
EEPROM
7F58
FF61
+3V3-STANDBY
+3V3-STANDBY
RES
100n
2F52
+3V3
IF56
9CH0
FF56
FF55
10K
3F69
FF66
RES
2
6
1
3F64
RES7F54-1
BC847BPN(COL)
100R
3F62
100R
3F53
3
4
5
10K
RES
1
2
3F58
10K
1F52
3F59
3F60
100R
100R
3F67
FF57
10K
IF54
100R
3F63
10K
3F52
+3V3
FF63
+3V3
IF55
FF58
IF57
2F49
100p
IF61
2F58
100n
IF50
RES
+5V
PNX-SPI-SDO
PNX-SPI-CLK
RXD-UP
TXD-UP
SDA-SSB
SCL-SSB
SCL-UP-MIPS
SDA-UP-MIPS
PNX-SPI-WPn
PNX-SPI-CSBn
PNX-SPI-SDI
BOOST-PWM
SPI-PROG
RESET-STBYn
SDM
SPI-PROG
BACKLIGHT-BOOST

Table of Contents