EasyManua.ls Logo

Physio Control LIFEPAK 9 - Page 187

Physio Control LIFEPAK 9
214 pages
Print Icon
To Next Page IconTo Next Page
To Next Page IconTo Next Page
To Previous Page IconTo Previous Page
To Previous Page IconTo Previous Page
Loading...
Component
Reference
Diagrams
6
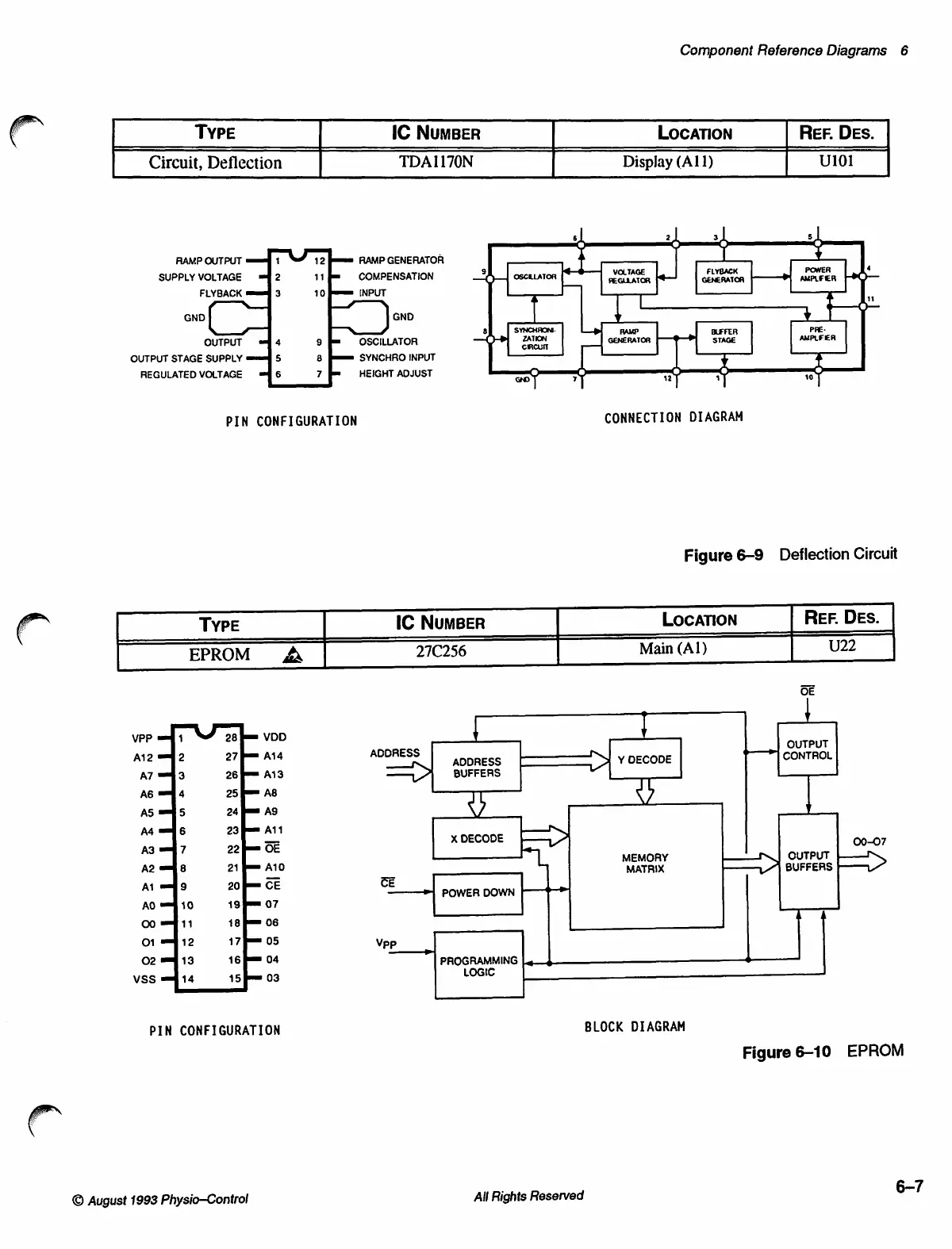
TYPE
IC
NUMBER
LOCATION
Rer.
DEs.
Circuit,
Deflection
TDA1170N
Display
(A11)
U101
od
2l
31
sl
-
RAMP
OUTPUT
RAMP
GENERATOR
I
I
+
SUPPLY
VOLTAGE
COMPENSATION
3
oscuwrog
|
|
VOLTAGE
EUX,
>|
PER
FLYBACK
|
GND
GND
1
+
|
OUTPUT
OSCILLATOR
E
GENERATOR
po]
Saco
AMPLEER
OUTPUT
STAGE
SUPPLY
SYNCHRO
INPUT
1
|
Y
REGULATED
VOLTAGE
HEIGHT
ADJUST
557
Y
:
27
T
1
9
PIN
CONFIGURATION
CONNECTION
DIAGRAM
Figure
6-9
Deflection
Circuit
TYPE
IC
NuMBER
LOCATION
REF.
DES.
EPROM
A
27C256
Main
(Al)
U22
OE
=
VDD
|
\
VPP
1
OUTPUT
ADDRESS
>
Arz
12
^
ADDRESS
FT
Y
DECODE
CONTROL
A7
m
3
==
АЗ
=>
BUFFERS
AG
4
-—
A8
>
AS
5
ms
AQ
Ý
|
A4
6
pom
A11
|
A3
7
es
OE
X
DECODE
00-07
MEMORY
OUTPUT
A2
ml
s
A10
MATRIX
DY
surrens
>
9
A1
==
СЕ
CE
———|
POWER
DOWN
>
AO
==
07
00
=
06
[
1
O1
==
05
Vpp
02
mm
04
PROGRAMMING
Le
vss
-
03
LOGIC
PIN
CONFIGURATION
BLOCK
DIAGRAM
Figure
6-10
EPROM
O
August
1993
Physio-Control
All
Rights
Reserved
6-7

Table of Contents

Other manuals for Physio Control LIFEPAK 9

Related product manuals