EasyManua.ls Logo

Physio Control LIFEPAK 9 - Page 32

Physio Control LIFEPAK 9
214 pages
Print Icon
To Next Page IconTo Next Page
To Next Page IconTo Next Page
To Previous Page IconTo Previous Page
To Previous Page IconTo Previous Page
Loading...
LIFEPAK
9
defibrillator/monitor
013838
:
a
ms
Se
»
el]
AVY
31VO
es 83040938
ο
|
zv
É
E
55
NI
L4IHS
É
É
AG
Ni
VIVO
D
sos
E
|
NOlO313S13dALov3aHLNI8d
(91-0)
3
Hdl
4-0)
a
Zi
n
Le
—z
SIn
in'en
N
5/5
3
ao
(1-0)
v
300930
[
(1-0)
av
we
Co)
qa
als
+
QVOT
QY3HINiBd
m
SS3HCOV
OCIA
olo
=
|
1
3SN3S
1N3BBno
QY
HLNIHd
3
3
É
Е
|
3dALQVIHINISO
fa
93go2zg
É
|
aj"
TMP,
HIMOd
(0)
ava
woud
93335
43040034
in
NOA
у
нозезоонаоной
|
d
QHOO
HAVTdSIQ
994
GHA
NOISH3ANO
—|—
|
SL
|
|
ron
»
600
1
NOLLVITIVAS
AVIV
HAMOd
|
TAWA
HEMOd
|
JONVISISIU
het
1081
ο.
|
31V9
;
NIV
;
HOLINON
MS
UMd
|
ανΒΗΙΝΙΜά
tou
HLBUH
=
Avidsla
U
ον
RR
a
|
|
нию
Ti
to
39N3S
INIGUNO
OVAHINIVA
_
OBLNOO
JIOVN3
U3ISNVUL
|
~
HadSNYHL
1831035
5Э45МУЗА
ei
NOISHIANOD
HIMOd
NDOJHALNÍ
HIGAVÁ
l'ammvis
BOLON
ZHNS
|
2019
INR
7
HILHSANOO
UN
|
x
[e]
M
W3LSAS
OL
|
|
X1
ft
po)
|
1
LIGIHNI
SOUVHO
!
]
GNVA
3OHYHO
|
1nO
dgWV3dd
|
————————n1
|
I
MS
DHD
TIGOVd
|
39VJH
1NI
|
|
wa
le
430409
3/AV
IdsIG
OO
|
|
THING
mm
|
volvrimandaa
i
019898
|
I
БЫ
anna
|
ELES)
6
|
3owadauNi
Wa
13934
|
|
HOLM)
[susu
1
| |
AS1+
un
[60070
cen
|
T
WOYdI
|
ο
HOSSaOOUdOHOIN
хе
|
1
1
sz100w4
|
|
po
dASI-
|
NOOT-MINO
+
|
|
atadas
|
o
|
намоа
İ—>
auolsa
00
(00
|
0910705-
AZI-
NOLL9310Hd
3480
0100
00001
0900
|
ems
UN3-1NOYA
N
(so)
vd
|
|
|
|
37072
(6-1)
SVO
FILLVIOANON
ANGUYA
S3HOUMS
V
32
exes
waLindwy
|
STaNVd
]
>
|
SEN
osa
US
|
0H93
(he
oniva.nia
NOLIVINZIANH
SN!
|
=
|
ο
|
'
A
LAN
NI
dWV
dd
|
ROvdUBINI
|
34040
Agd
O31Wdvivun
|
HOLNTE
Gola]
à
dezn
vezn
WOLLdO
|
jaNva
|,
3NHO
03)
30UVHI
pooHoyAla
|
=
20005
10003
3080
037
ONAS
|
VO
|
994
|
|
a
|
eram
|
TodlNoo
WaIsAS
|
|
LE
©
August
1993
Physio-Control
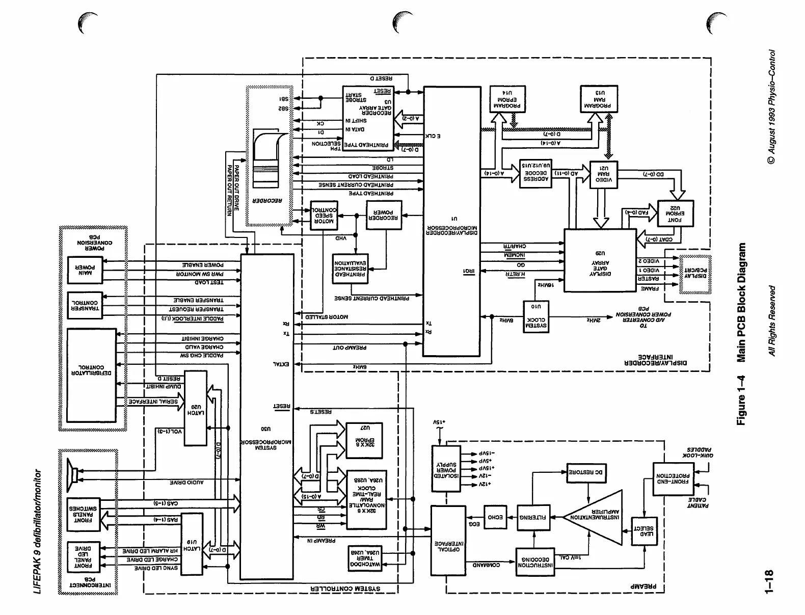
Figure
1-4
Main
PCB
Block
Diagram
All
Rights
Reserved
1-18

Table of Contents

Other manuals for Physio Control LIFEPAK 9

Related product manuals