EasyManua.ls Logo

Pilz PNOZ m C0 - Connection Example

Pilz PNOZ m C0
39 pages
Print Icon
To Next Page IconTo Next Page
To Next Page IconTo Next Page
To Previous Page IconTo Previous Page
To Previous Page IconTo Previous Page
Loading...
Commissioning
Operating Manual PNOZ m C0
1006013-EN-02
| 26
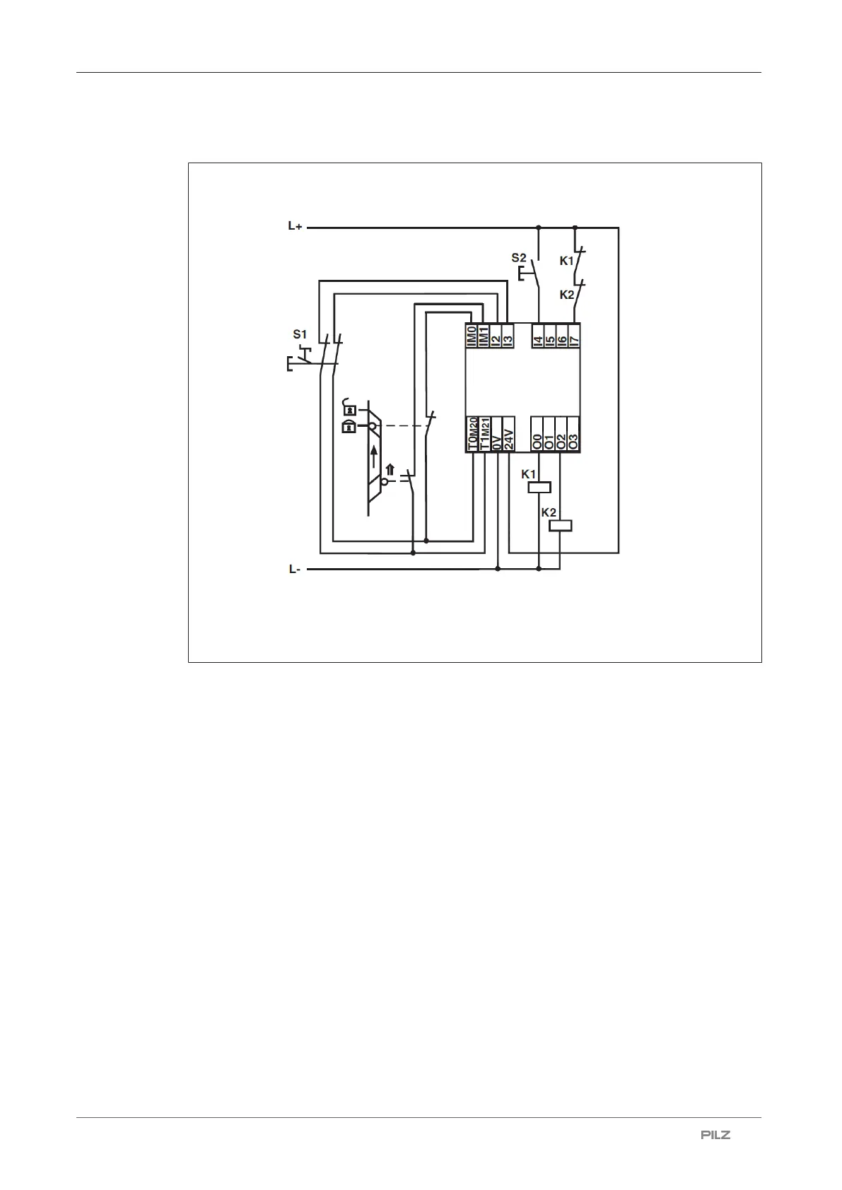
7.7 Connection example

Related product manuals