EasyManua.ls Logo

Platinum Z5 CD - Page 85

Platinum Z5 CD
194 pages
Print Icon
To Next Page IconTo Next Page
To Next Page IconTo Next Page
To Previous Page IconTo Previous Page
To Previous Page IconTo Previous Page
Loading...
888-2408-002 4-19
WARNING: Disconnect primary power prior to servicing.
Overall System Theory
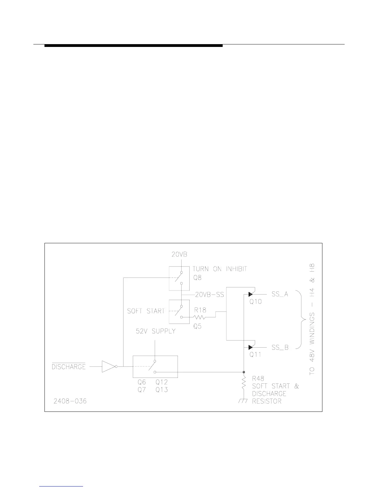
4.4.1.2.1 Soft Start
During transmitter turn on, a fifth set of SCRs is activated (these are located on the
Rectifier Boards). See Figure 4-10. These SCRs are connected to the lowest voltage
output tap of each transformer secondary (the one with the fewest secondary turns).
However, the Soft Start SCRs are connected through a common surge limiting
resistor to ground, instead of the direct ground connection provided with the rest of
the SCRs. This allows the Soft start by limiting the maximum surge current while
charging the power supplies. The soft start lasts for about 6 seconds during turn on.
After the 6 second soft start the resistor is bypassed by activating the normal run-
mode SCRs which are also attached to the lowest voltage output tap but connect
directly to ground. This allows the supplies to come up to full charge. If the voltage
is not high enough, the Power Supply Controller will activate the next highest tap to
increase the voltage. It will continue this process until the DC output voltage is
approximately 52Vdc or it reaches the highest tap.
4.4.1.2.2 PA Power Supply Discharge
The PA Power Supply Discharge circuit also uses the Soft Start resistor to discharge
the 52Vdc PA supply. The discharge circuit is activated when the transmitter is
turned off. When the discharge circuit is active, it disables the SCRs to prevent the
supply from trying to turn on during a discharge cycle.
Figure 4-10 Single Phase Power Supply
Simplified Soft Start and Discharge Circuit

Table of Contents