EasyManua.ls Logo

PowerPac MCE400 - Circuit Diagram

Default Icon
49 pages
Print Icon
To Next Page IconTo Next Page
To Next Page IconTo Next Page
To Previous Page IconTo Previous Page
To Previous Page IconTo Previous Page
Loading...
[The views are only meant for illustration: parts and machines can deviate.]
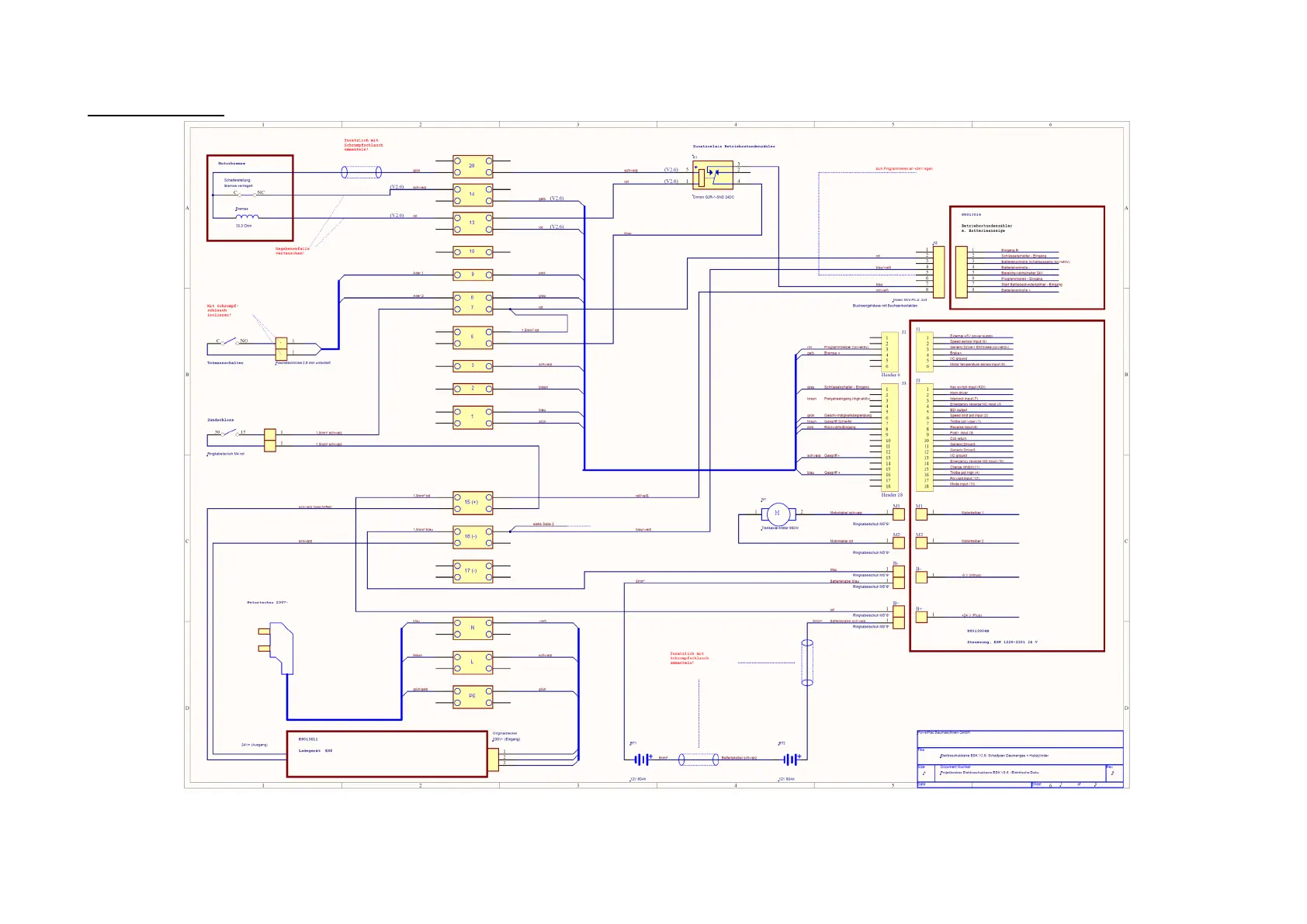
page 47 von 49 Manual/Spare parts list Multi-Dumper MCE400 modified: 06.2021
Circuit diagram