EasyManua.ls Logo

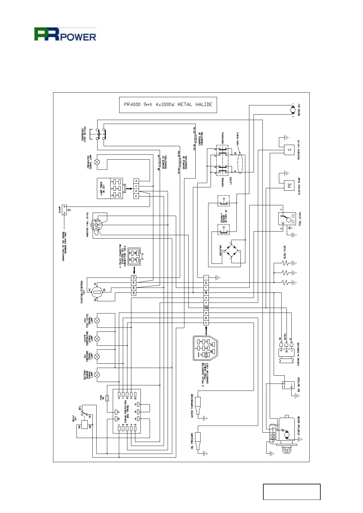
PR POWER PR4000 - Wiring Diagram Second Part

PR POWER PR4000
75 pages
Print Icon
To Next Page IconTo Next Page
To Next Page IconTo Next Page
To Previous Page IconTo Previous Page
To Previous Page IconTo Previous Page
Loading...
PR4000 9mt 4x1000W METAL HALIDE
74
TL073-11-02-03
01-02-2011
20. WIRING DIAGRAM SECOND PART

Table of Contents

Related product manuals