EasyManua.ls Logo

Quantum FIREBALL PLUS AS 10.2 - Air Filtration; Drive Electronics; Figure 5-2 Quantum Fireball Plus as at Hard Disk Drive Block Diagram

Quantum FIREBALL PLUS AS 10.2
162 pages
Print Icon
To Next Page IconTo Next Page
To Next Page IconTo Next Page
To Previous Page IconTo Previous Page
To Previous Page IconTo Previous Page
Loading...
Basic Principles of Operation
5-5 Quantum Fireball Plus AS 10.2/20.5/30.0/40.0/60.0 GB AT
5.1.7
5.1.75.1.7
5.1.7 Air Filtration
Air FiltrationAir Filtration
Air Filtration
The Quantum Fireball Plus AS AT hard disk drives are Winchester-type drives. The
heads fly very close to the media surface. Therefore, it is essential that the air
circulating within the drive be kept free of particles. Quantum assembles the drive
in a Class-100 purified air environment, then seals the drive with a metal cover.
When the drive is in use, the rotation of the disks forces the air inside of the drive
through an internal 0.3 micron filter. The internal HDA cavity pressure equalizes
to the external pressure change by passing air through a 0.3 micron, carbon
impregnated breather filter.
5.2
5.25.2
5.2 DRIVE ELECTRONICS
DRIVE ELECTRONICSDRIVE ELECTRONICS
DRIVE ELECTRONICS
Advanced circuit (Very Large Scale Integration) design and the use of miniature
surface-mounted devices and proprietary VLSI components enable the drive
electronics, including the ATA bus interface, to reside on a single printed circuit
board assembly (PCBA).
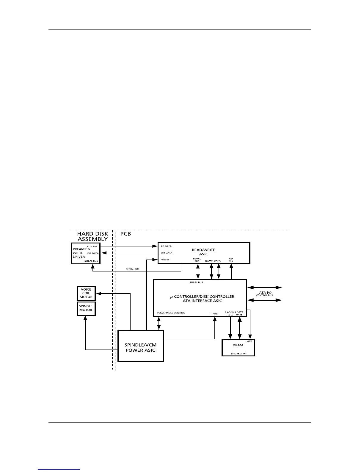
Figure 5-2 contains a simplified block diagram of the Quantum Fireball Plus AS
hard disk drive electronics.
The only electrical component not on the PCBA is the PreAmplifier and Write
Driver IC. It is on the flex circuit (inside of the sealed HDA). Mounting the
preamplifier as close as possible to the read/write heads improves the signal-to-
noise ratio. The flex circuit (including the PreAmplifier and Write Driver IC)
provides the electrical connection between the PCB, the rotary positioner assembly,
and read/write heads.
Figure 5-2
Figure 5-2 Figure 5-2
Figure 5-2 Quantum Fireball Plus AS AT Hard Disk Drive Block Diagram

Table of Contents

Related product manuals