EasyManua.ls Logo

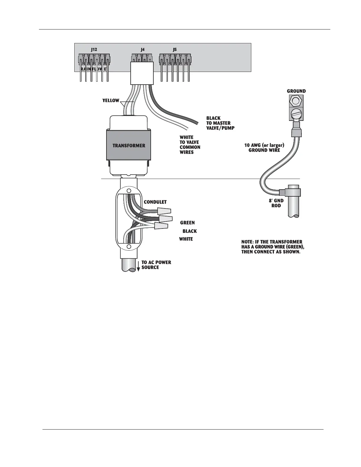
Rain Master RME EAGLE - Field Wiring Connections to the Controller; Figure 4 - Power and Grounding Connections

Rain Master RME EAGLE
168 pages
Print Icon
To Next Page IconTo Next Page
To Next Page IconTo Next Page
To Previous Page IconTo Previous Page
To Previous Page IconTo Previous Page
Loading...
RME EAGLE User Manual Rain Master Irrigation Systems
Page 14 Chapter 3 Mounting and Installation
Figure 4 - Power and Grounding Connections
3.2 FIELD WIRING CONNECTIONS TO THE CONTROLLER
The controller utilizes a quick connect/disconnect style of connector. Each wiring harness is 24
inches long and color coded. To use the harness the non-connector end must be stripped back and
attached to the corresponding field wire using a wire nut or soldered together, then taped off.
RME EAGLE EG series controllers come equipped with terminals to which the field wires are
directly connected. Unused wires should be taped off to prevent shorting.

Table of Contents

Related product manuals