EasyManua.ls Logo

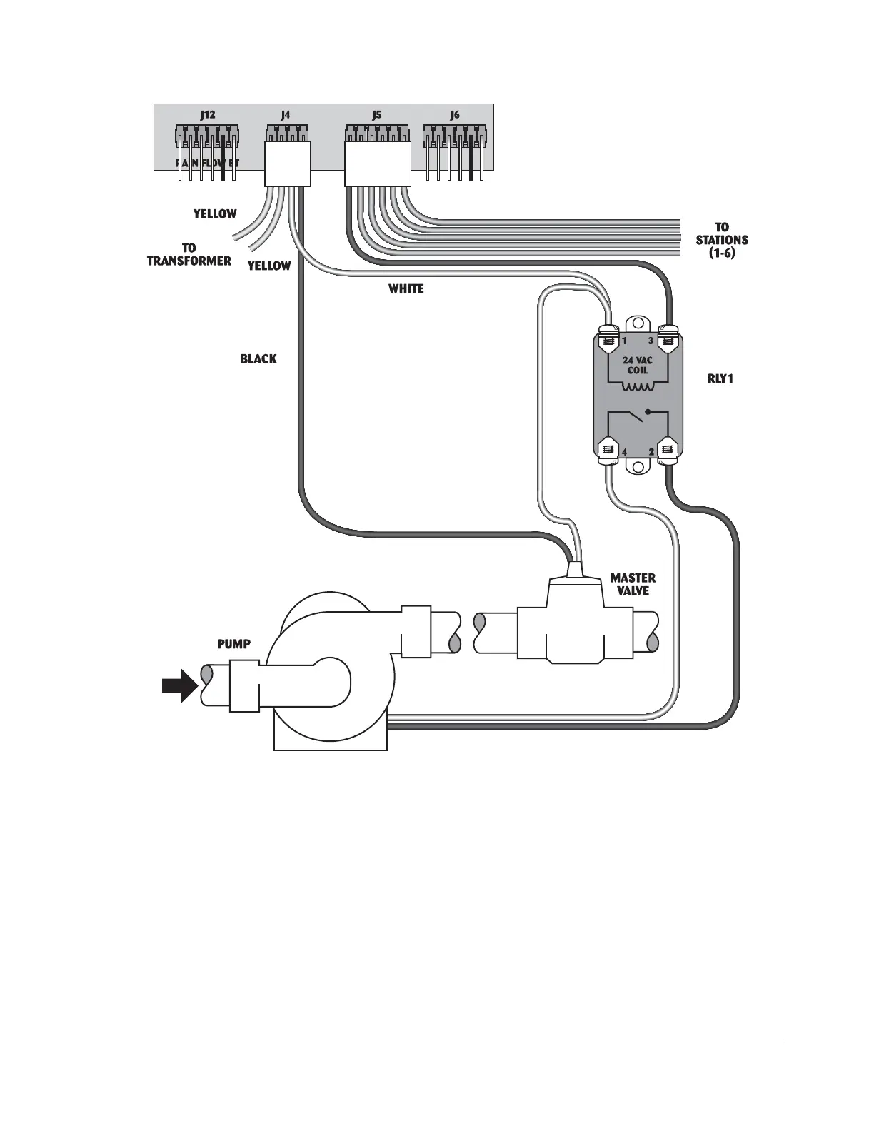
Rain Master RME EAGLE - Figure 8 - Independent Control of Master Valve and Pump Using Isolation Relay; Normally Open Master Valve

Rain Master RME EAGLE
168 pages
Print Icon
To Next Page IconTo Next Page
To Next Page IconTo Next Page
To Previous Page IconTo Previous Page
To Previous Page IconTo Previous Page
Loading...
RME EAGLE User Manual Rain Master Irrigation Systems
Page 20 Chapter 3 Mounting and Installation
Figure 8 - Independent Control of Master Valve and Pump using Isolation Relay
WARNING: ALWAYS TURN-OFF POWER before changing or modifying field, senor
or power wiring within the controller. Dangerous voltage and current exist
within the controller which may damage the controller if improperly
connected or shorted.
3.2.1.3 Normally Open Master Valve
If you use a Master Valve that is Normally Open until energized, connect the Master Valve solenoid
to the MV and Master Valve Common terminals as depicted in Figure 5 - Master Valve Electrical
Connection.

Table of Contents

Related product manuals