EasyManua.ls Logo

Rain Master RME EAGLE - Figure 7 - Master Valve and Pump Electrical Connections with Isolation Relay; Independent Use - Normally Closed Master Valve and Pump

Rain Master RME EAGLE
168 pages
Print Icon
To Next Page IconTo Next Page
To Next Page IconTo Next Page
To Previous Page IconTo Previous Page
To Previous Page IconTo Previous Page
Loading...
Rain Master Irrigation Systems RME EAGLE User Manual
Chapter 3 Mounting and Installation Page 19
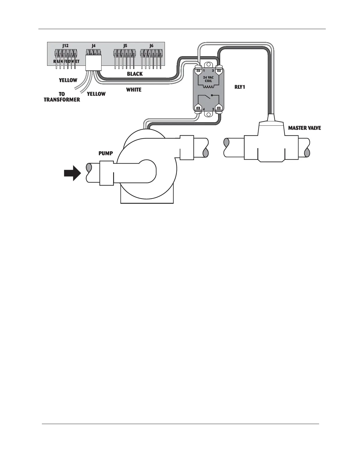
Figure 7 – Master Valve and Pump Electrical Connections with Isolation Relay
WARNING: ALWAYS TURN-OFF POWER before changing or modifying field, senor
or power wiring within the controller. Dangerous voltage and current exist
within the controller which may damage the controller if improperly
connected or shorted.
3.2.1.2.2 Independent Use - Normally Closed Master Valve and Pump
If you use a Master Valve which requires activation to open, and a pump which is periodically
needed for irrigation, connect the Master Valve Solenoid to the MV and the Master Valve Common
terminals and the Pump starter wire to the Station 1 terminals.
If the Pump starter DOES NOT operate on 24 VAC or the combination of the Master Valve
Solenoid and Pump starter running together uses more than 1 Ampere of current, you will need an
isolation relay (RMIS part # RLY1 or equivalent) as depicted in Figure 8 - Independent Control of
Master Valve and Pump using Isolation Relay. During configuration SETUP, select the Normally
Closed (NC) Valve type for all programs which require the Master Valve and select Pump operation
for all programs which require the pump.
If more than one RME EAGLE controller will control the Master Valve and Pump, the controllers
must be isolated from one another. Contact your local distributor or Rain Master Irrigation Systems
for a pamphlet on multiple controller installations (RMIS Technical Bulletin 018).

Table of Contents

Related product manuals