EasyManua.ls Logo

Rayjet 8015 - Wiring Diagrams Overview; 12 W Air-Cooled Wiring

Rayjet 8015
53 pages
Print Icon
To Next Page IconTo Next Page
To Next Page IconTo Next Page
To Previous Page IconTo Previous Page
To Previous Page IconTo Previous Page
Loading...
Service Manual Rayjet
Hardware
Wiring diagrams
07/09/2010 Trotec Produktions- und Vertriebs GmbH_Linzer Strasse 156, A-4600 Wels, Austria, Technical Support 35 / 53
tel_+43 (0)7242 239-7000, fax_+43 (0)7242 239-7380, mailto: rayjet@troteclaser.com www.rayjetlaser.com
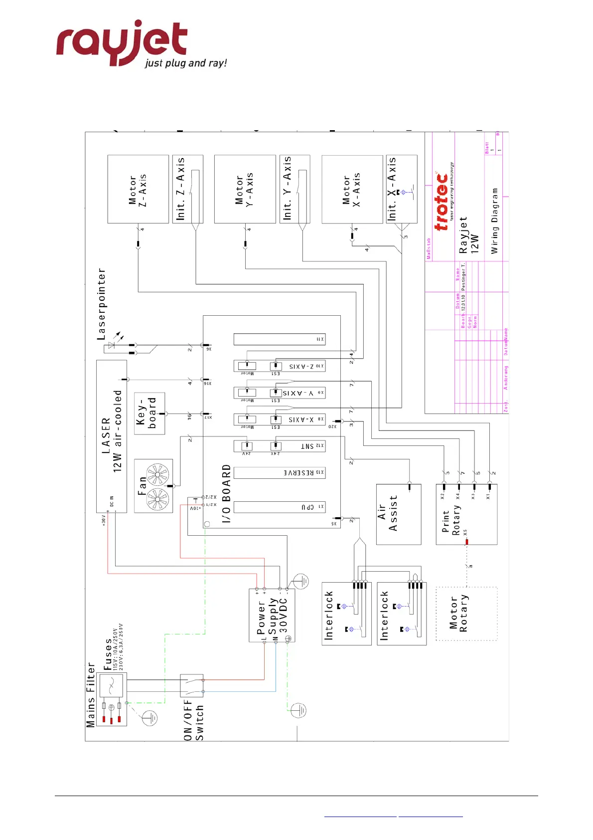
6.3 Wiring diagrams
6.3.1 12W air-cooled

Related product manuals