EasyManua.ls Logo

Rayjet 8015 - 30 W Air-Cooled Wiring

Rayjet 8015
53 pages
Print Icon
To Next Page IconTo Next Page
To Next Page IconTo Next Page
To Previous Page IconTo Previous Page
To Previous Page IconTo Previous Page
Loading...
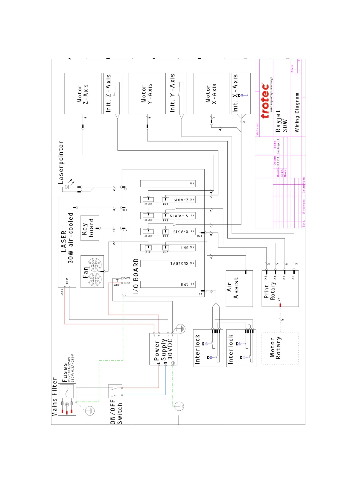
6.3.2 30W air-cooled

Related product manuals