EasyManua.ls Logo

RCm BIT 391CB - Page 107

RCm BIT 391CB
Print Icon
To Next Page IconTo Next Page
To Next Page IconTo Next Page
To Previous Page IconTo Previous Page
To Previous Page IconTo Previous Page
Loading...
DE
DE-25
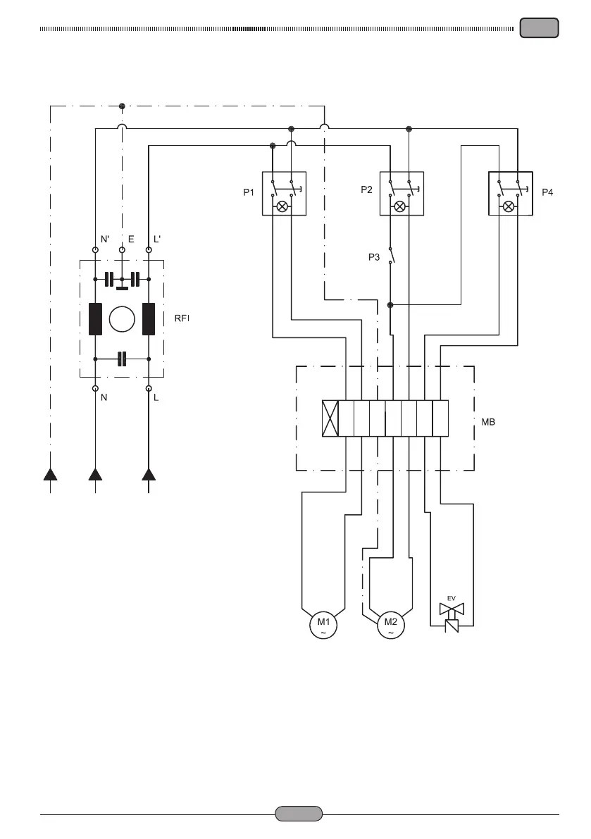
Ausführung E
EV ..............................................Elektroventil
M1............................................Ansaugmotor
M2 ...........................................Bürstenmotor
MB .........................................Klemmenleiste
P1 .........................................Ansaugschalter
P2 ........................................ Bürstenschalter
P3 ...................................Schaltknopf Bürste
P4 .................................Elektroventilschalter
RFI .......................................Netzentstörfilter

Table of Contents

Related product manuals