EasyManua.ls Logo

RCm BIT 391CB - Versión E

RCm BIT 391CB
Print Icon
To Next Page IconTo Next Page
To Next Page IconTo Next Page
To Previous Page IconTo Previous Page
To Previous Page IconTo Previous Page
Loading...
ES
ES-25
Versión E
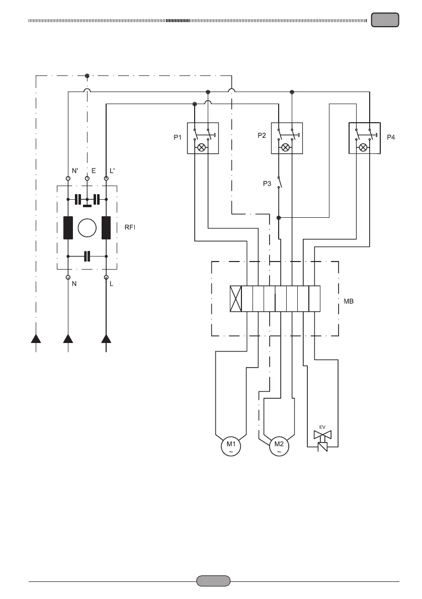
EV ...........................................Electroválvula
M1..................................Motor de aspiración
M2 ......................................Motor del cepillo
MB .....................................................Bornes
P1 .......................... Interruptor de aspiración
P2 ................................Interruptor del cepillo
P3 .......................................Botón del cepillo
P4 ................Interruptor de la electroválvulaI
RFI .........................Filtro antidisturbio de red

Table of Contents

Related product manuals