EasyManua.ls Logo

RCm BIT 391CB - Schémas Électriques; Version BC

RCm BIT 391CB
Print Icon
To Next Page IconTo Next Page
To Next Page IconTo Next Page
To Previous Page IconTo Previous Page
To Previous Page IconTo Previous Page
Loading...
FR
FR-24
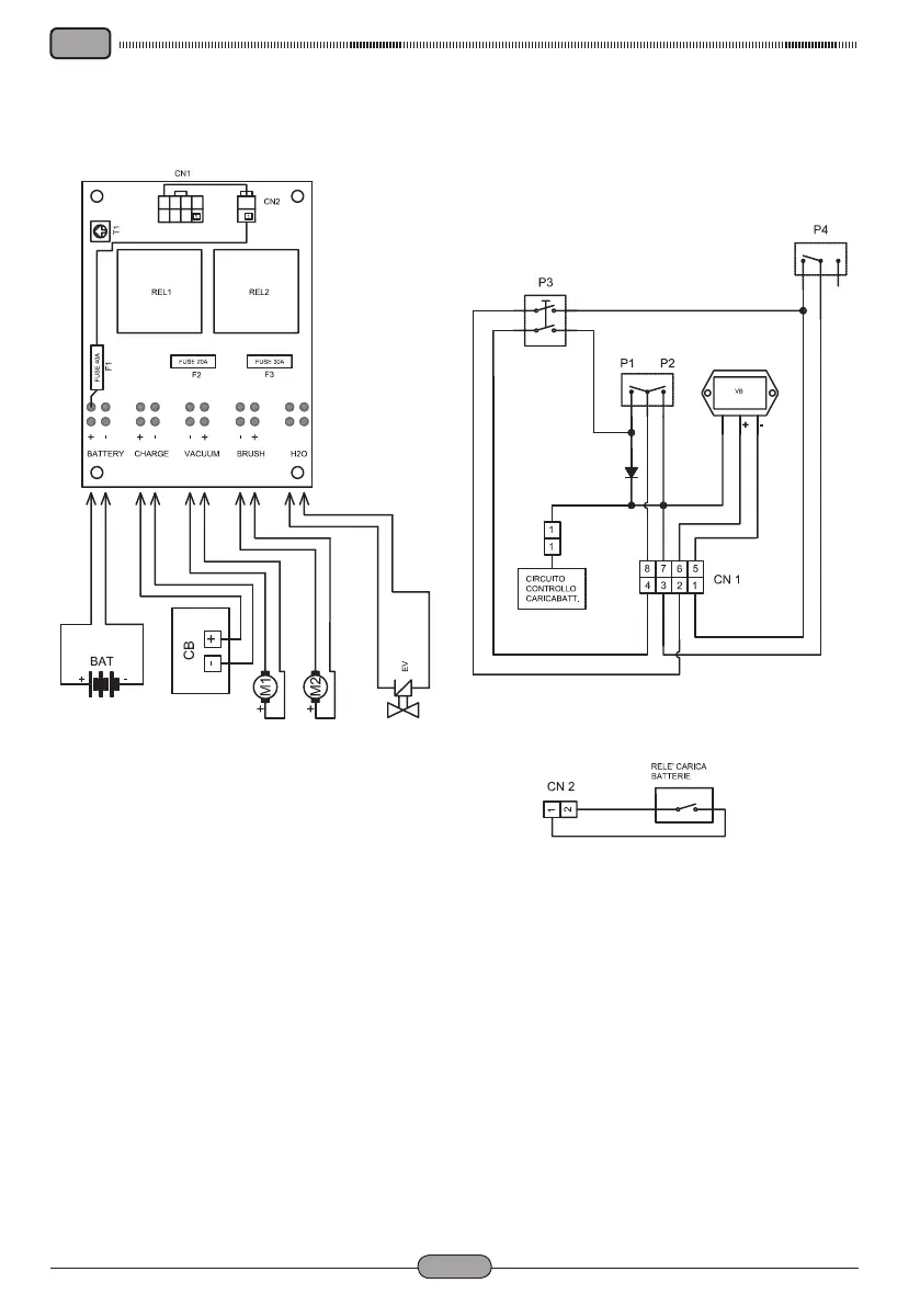
SCHÉMAS ÉLECTRIQUES
Version BC
BAT .........................................Batterie 24 V
CB ........................Chargeur de batterie 5 A
CN2 ................... Contact charge-batterie 5A
EV .............................................Electrovalve
F1 .............................Fusible 40 A (général)
F2 ......................... Fusible 20 A (aspiration)
F3 ..............................Fusible 30 A (brosse)
M1 .....................................Moteur aspiration
M2 ......................................... Moteur brosse
P1 .........Interrupteur brosse + électrovanne
P2 ..................................Interrupteur brosse
P3 .........................................Bouton brosse
P4 .............................Interrupteur aspiration
REL1 .........................Contacteur aspiration
REL2 ..............................Contacteur brosse
T1 ................................. Timer off aspirateur
VB .........................Afcheurchargebatterie

Table of Contents

Related product manuals