EasyManua.ls Logo

RCm BIT 391CB - Version E

RCm BIT 391CB
Print Icon
To Next Page IconTo Next Page
To Next Page IconTo Next Page
To Previous Page IconTo Previous Page
To Previous Page IconTo Previous Page
Loading...
FR
FR-25
Version
E
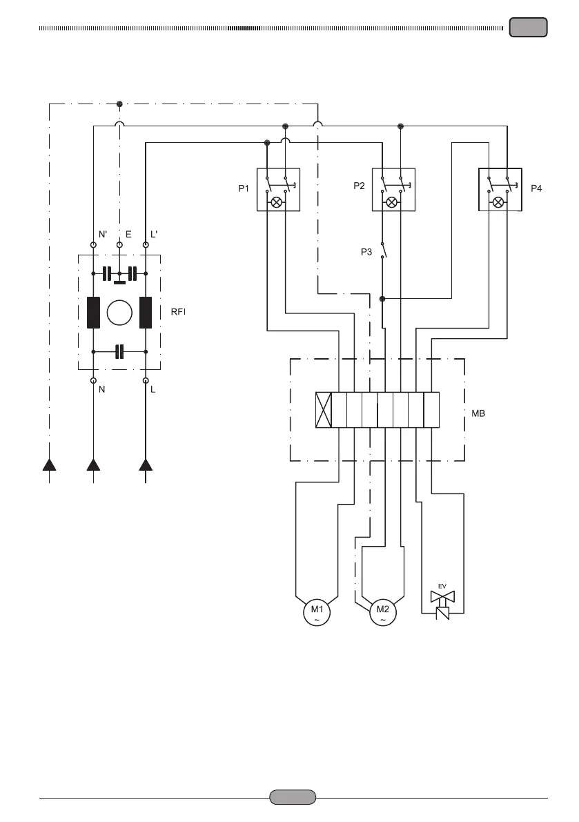
EV ..............................................Electrovalve
M1......................................Moteur aspiration
M2 ......................................... Moteur brosse
MB .....................................................Bornier
P1 ..............................Interrupteur aspiration
P2 ...................................Interrupteur brosse
P3 ..........................................Bouton brosse
P4 ...........................Interrupteur électrovalve
RFI ......................Filtre antibrouillage réseau

Table of Contents

Related product manuals