EasyManua.ls Logo

RCm BIT 391CB - Versão E

RCm BIT 391CB
Print Icon
To Next Page IconTo Next Page
To Next Page IconTo Next Page
To Previous Page IconTo Previous Page
To Previous Page IconTo Previous Page
Loading...
PT
PT-25
Versão E
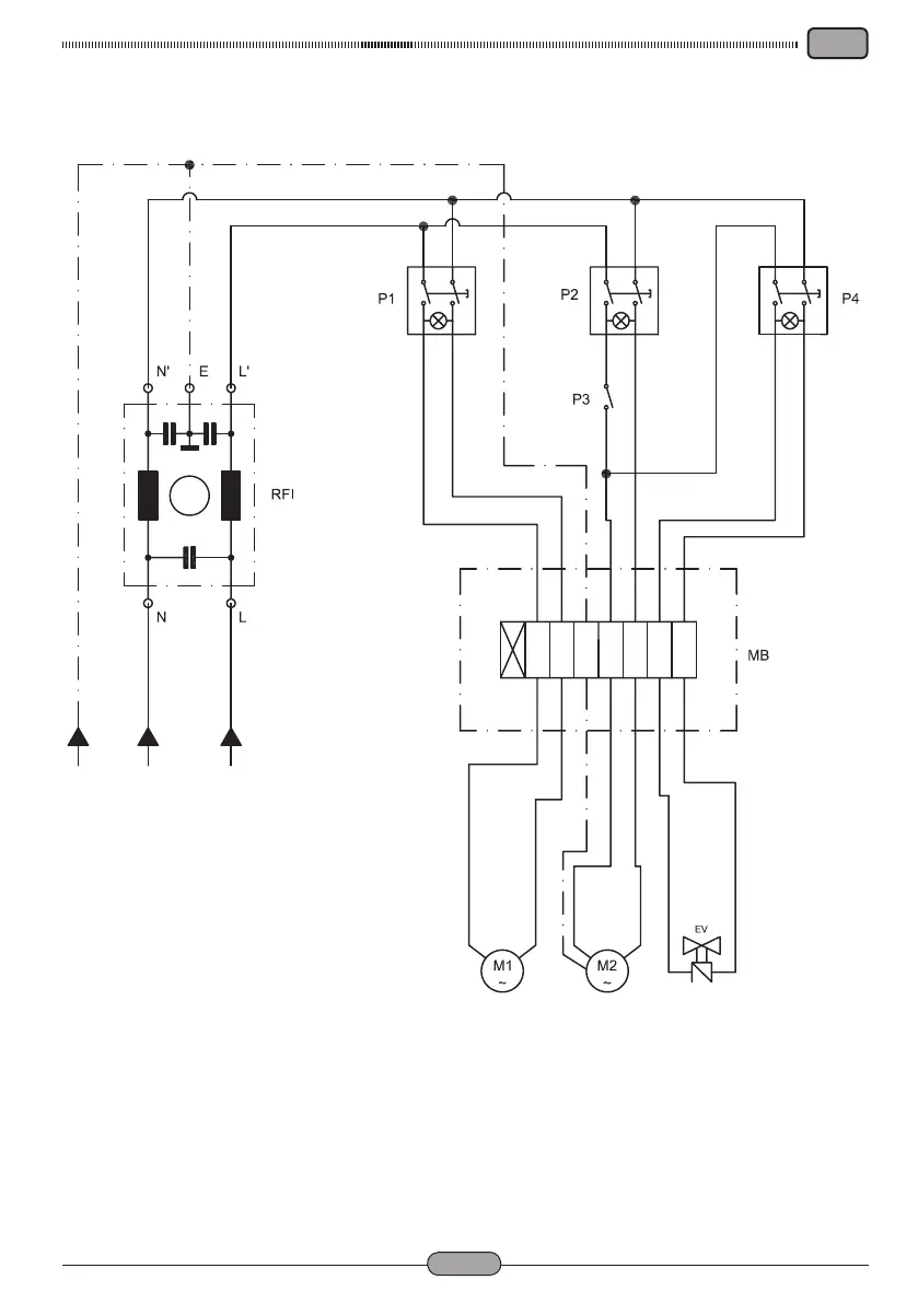
EV ...........................................Eletroválvulas
M1..Motor que exerce a funçãode aspiração
M2 ...
Motor responsável pela rotação da escova
MB ...................................Placa de terminais
P1 ...
Interruptor de funcionamento (aspiração)
P2 .
Interruptor do movimento de rotação da escova
P3 ....................Botão de controle da escova
P4 ..Interruptor de comando da eletroválvula
RFI ...........................................Filtro de rede

Table of Contents

Related product manuals