EasyManua.ls Logo

RCm BIT 391CB - Elektrische Schaltpläne

RCm BIT 391CB
Print Icon
To Next Page IconTo Next Page
To Next Page IconTo Next Page
To Previous Page IconTo Previous Page
To Previous Page IconTo Previous Page
Loading...
DE
DE-24
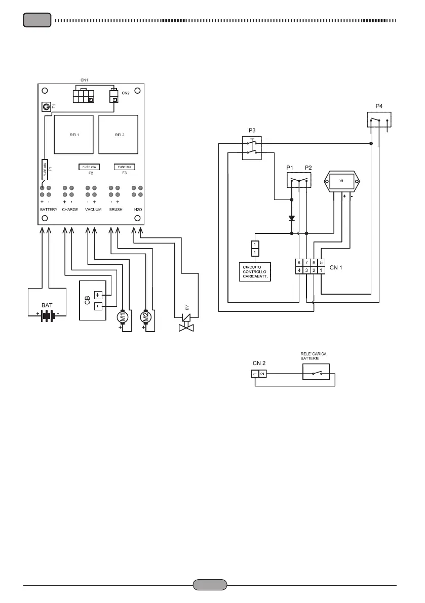
ELEKTRISCHE SCHALTPLÄNE
Ausführung BC
BAT ...........................................Batterie24V
CB ...............................Batterieladegerät 5A
CN2 ................ Kontakt Batterieladegerät 5A
EV .............................................Elektroventil
F1 .........Schmelzsicherung 40A (allgemein)
F2 .........Schmelzsicherung 20A (Ansauger)
F3 ..............Schmelzsicherung 30A (Bürste)
M1 ...........................................Ansaugmotor
M2 ...........................................Bürstenmotor
P1 ...............Bürstenschalter + Magnetventil
P2 ....................................... Bürstenschalter
P3 ..................................Bürstenschaltknopf
P4 ..............................Schalter des Saugers
REL1 ..................Fernschalter des Saugers
REL2 ......................Fernschalter der Bürste
T1 .............................Timer off des Saugers
VB ..............Anzeige des Batterieladestands

Table of Contents

Related product manuals