EasyManua.ls Logo

RCm BIT 391CB - Esquemas Eléctricos; Versión BC

RCm BIT 391CB
Print Icon
To Next Page IconTo Next Page
To Next Page IconTo Next Page
To Previous Page IconTo Previous Page
To Previous Page IconTo Previous Page
Loading...
ES
ES-24
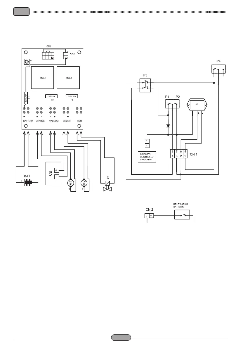
ESQUEMAS ELÉCTRICOS
Versión BC
BAT ..................................... Batería de 24V
CB ........................Cargador de baterías 5A
CN2 .................... Contacto carga batería 5A
EV ..........................................Electroválvula
F1 .........................Fusible de 40A (general)
F2 .....................Fusible de 20A (aspiración)
F3 ...........................Fusible de 30A (cepillo)
M1 .................................Motor de aspiración
M2 ......................................Motor del cepillo
P1 .......... Interruptor cepillo + electroválvula
P2 ...............................Interruptor del cepillo
P3 ......................................Botón del cepillo
P4 .............................. Interruptor aspiración
REL1 .........................Telerruptor aspiración
REL2 ...............................Telerruptor cepillo
T1 .................................. Timer off aspirador
VB .......................Visualizador carga batería

Table of Contents

Related product manuals