EasyManua.ls Logo

RCm BIT 391CB - Schemi Elettrici; Versione BC

RCm BIT 391CB
Print Icon
To Next Page IconTo Next Page
To Next Page IconTo Next Page
To Previous Page IconTo Previous Page
To Previous Page IconTo Previous Page
Loading...
ITIT
I - 24
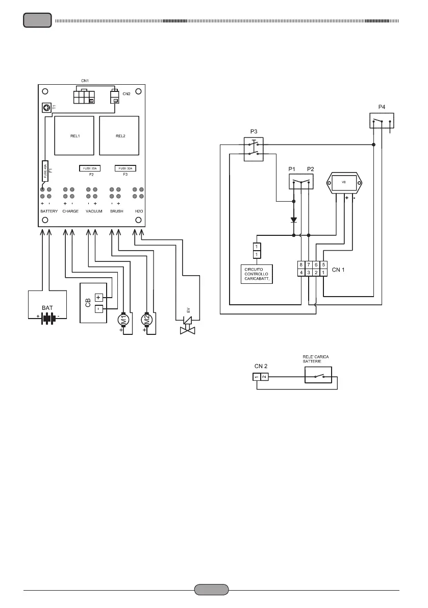
SCHEMI ELETTRICI
Versione BC
BAT ..........................................Batteria 24V
CB ...................................Carica batterie 5A
CN2 ....................Contatto carica batteria 5A
EV ...........................................Elettrovalvola
F1 ...........................Fusibile 40A (generale)
F2 .......................Fusibile 20A (aspirazione)
F3 ...........................Fusibile 30A (spazzola)
M1 ..................................Motore aspirazione
M2 ......................................Motore spazzola
P1 ......Interruttore spazzola + elettrovalvola
P2 ................................Interruttore spazzola
P3 ...................................Pulsante spazzola
P4 ........................... Interruttore aspirazione
REL1 .......................Teleruttore aspirazione
REL2 ...........................Teleruttore spazzola
T1 .................................Timer off aspiratore
VB .................. Visualizzatore carica batteria

Table of Contents

Related product manuals