EasyManua.ls Logo

RCm BIT 391CB - Page 55

RCm BIT 391CB
Print Icon
To Next Page IconTo Next Page
To Next Page IconTo Next Page
To Previous Page IconTo Previous Page
To Previous Page IconTo Previous Page
Loading...
EN
EN-25
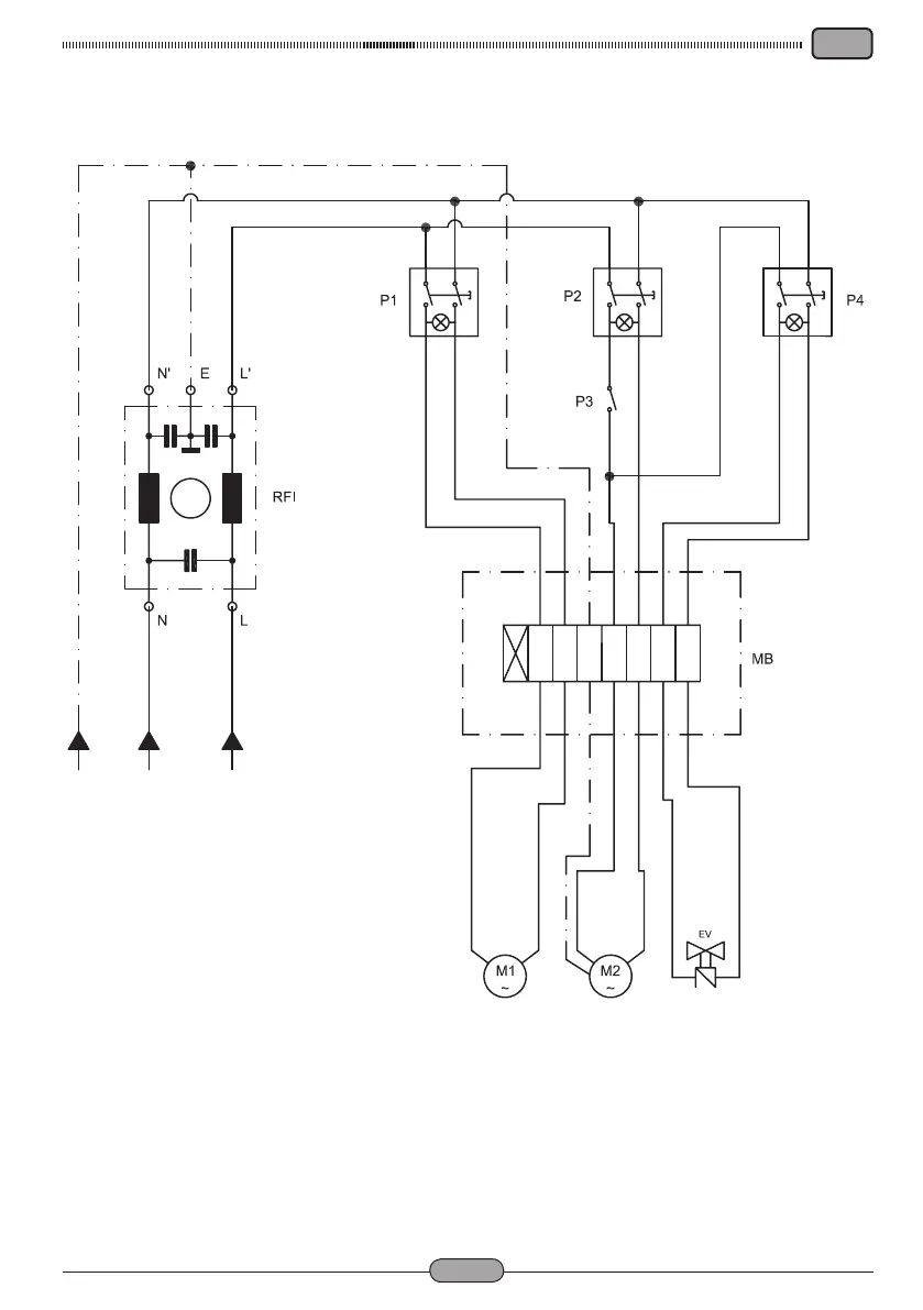
E version
EV ..........................................Solenoid valve
M1.......................................Aspiration motor
M2 .............................................Brush motor
MB ........................................Terminal board
P1 ...................................... Aspiration switch
P2 .............................................Brush switch
P3 .............................................Brush button
P4 ...............................Solenoid valve switch
RFI ...................................................Net filter

Table of Contents

Related product manuals