EasyManua.ls Logo

RCm BOXER Plus Series - ELECTRICAL WIRING DIAGRAM: BOXER E PLUS (PART 1)

Default Icon
96 pages
Print Icon
To Next Page IconTo Next Page
To Next Page IconTo Next Page
To Previous Page IconTo Previous Page
To Previous Page IconTo Previous Page
Loading...
A
63
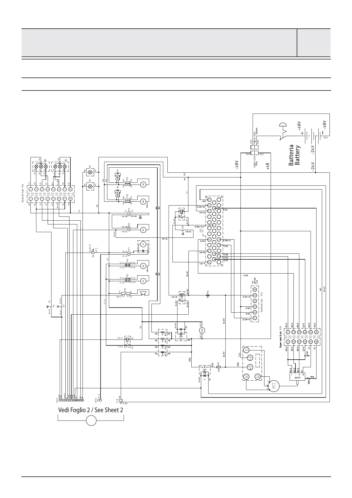
SCHEMA ELETTRICO
WIRING DIAGRAM ESQUEMA ELÉCTRICO  SCHÉMA ÉLECTRIQUE
SCHALTPLAN  SCHAKELSCHEMA
FIG.17
1/2
Versione Elettrica - Electric Version - Versión Eléctrica
Version Électrique - Elektrische Version - Elektrische Machine Versie
BOXER E PLUS

Table of Contents

Related product manuals