EasyManua.ls Logo

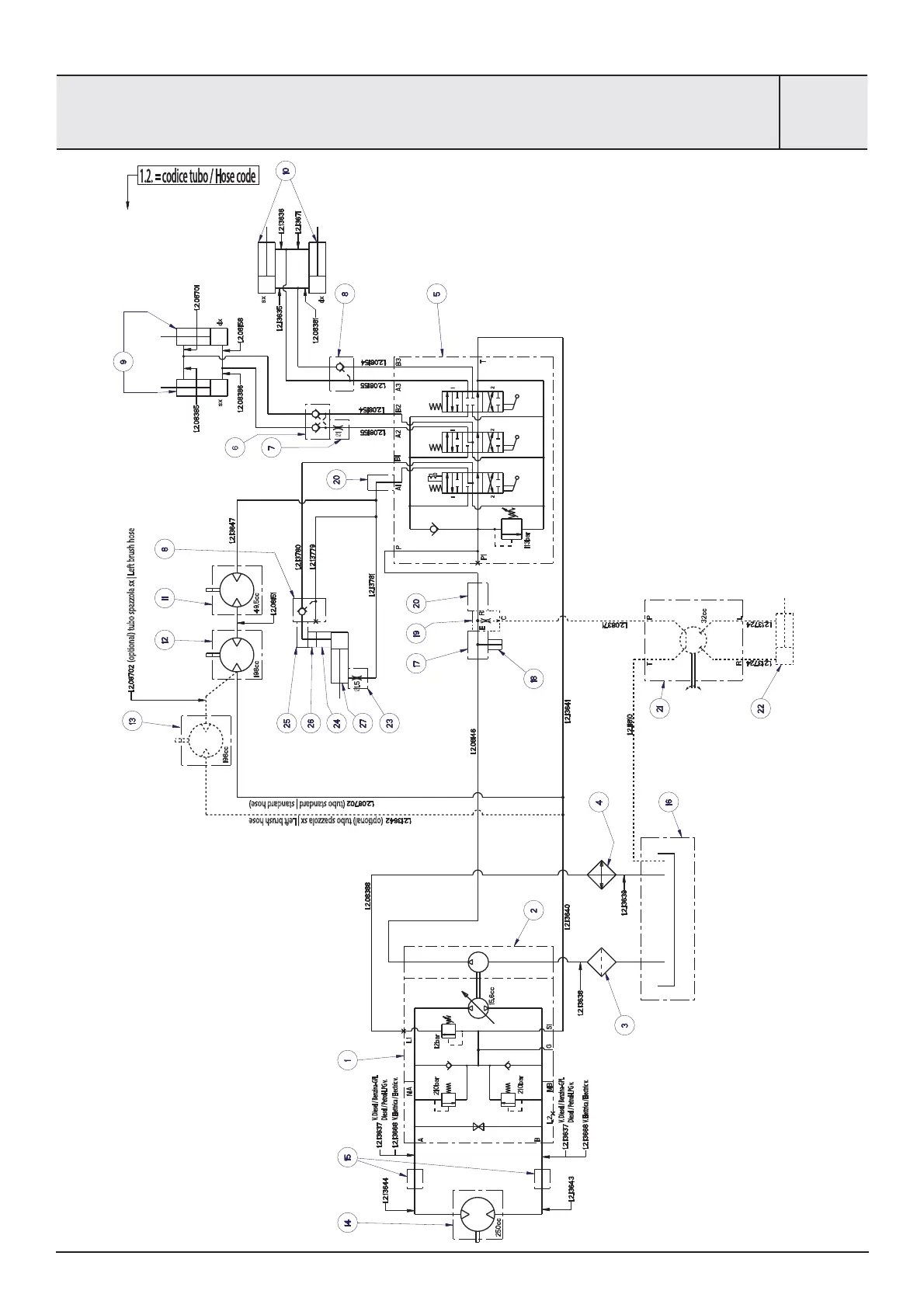
RCm BOXER Plus Series - HYDRAULIC SYSTEM SCHEMATIC

Default Icon
96 pages
Print Icon
To Next Page IconTo Next Page
To Next Page IconTo Next Page
To Previous Page IconTo Previous Page
To Previous Page IconTo Previous Page
Loading...
Apertura portello
Container opening door
Sollevamento Contenitore
Container Lifting
Sollevamento Spazzola Centrale
Main brush Lifting
(optional) tubo spazzola sx | Left brush hose
(optional) tubo spazzola sx | Left brush hose
(tubo standard | standard hose)
79
SCHEMA IDRAULICO
HYDRAULIC SYSTEM SCHEME  ESQUEMA HYDRÁULICO
SCHÉMA HYDRAULIQUE  HYDRAULIK SCHEMA  SCHEMA HYDRAULISCH
FIG.21

Table of Contents

Related product manuals