EasyManua.ls Logo

RCm BOXER Plus Series - ELECTRICAL WIRING DIAGRAM: BOXER D PLUS (PART 1)

Default Icon
96 pages
Print Icon
To Next Page IconTo Next Page
To Next Page IconTo Next Page
To Previous Page IconTo Previous Page
To Previous Page IconTo Previous Page
Loading...
67
A
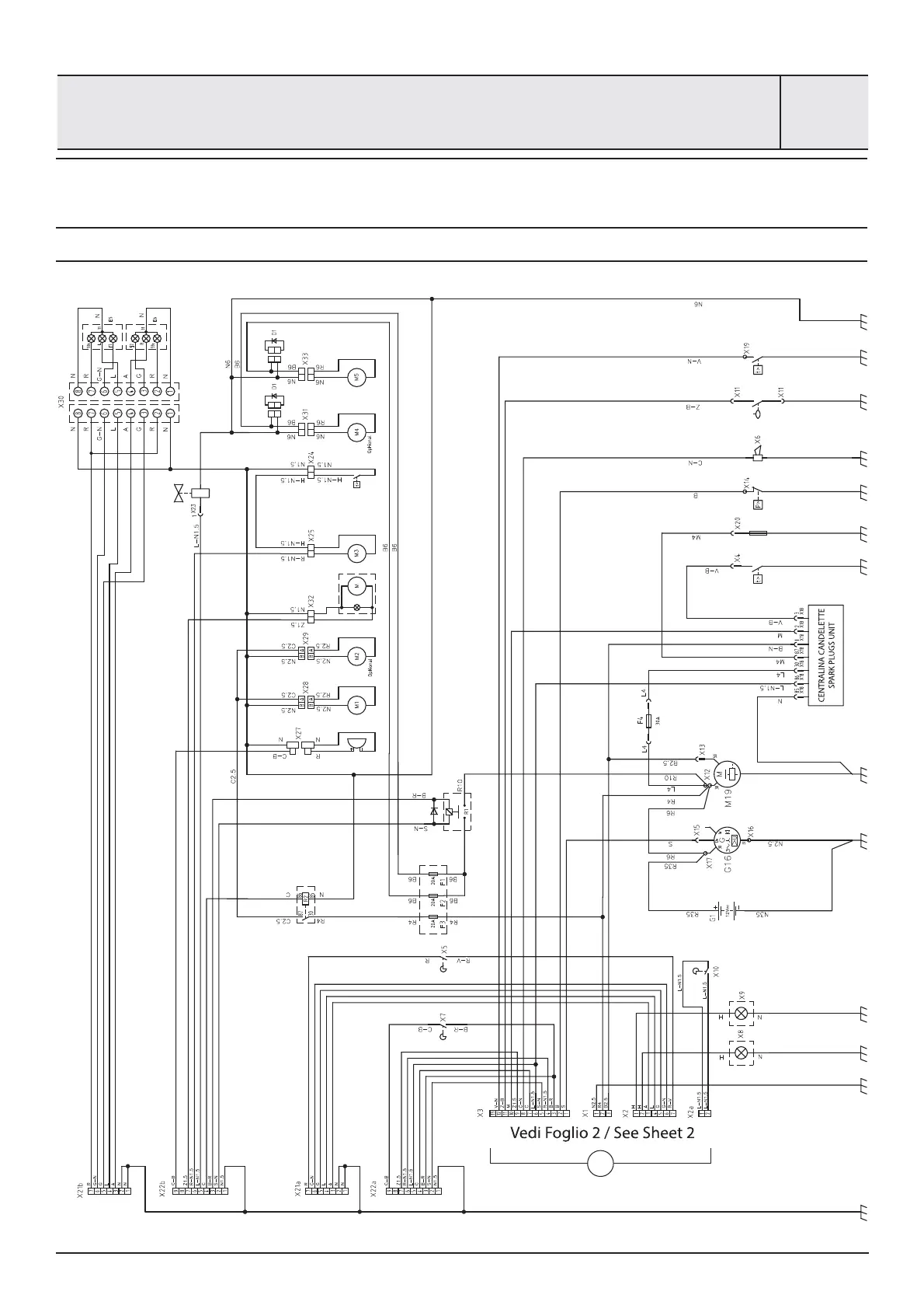
SCHEMA ELETTRICO
WIRING DIAGRAM  ESQUEMA ELÉCTRICO
SCHÉMA ÉLECTRIQUE  SCHALTPLAN  SCHAKELSCHEMA
FIG.18
1/2
Versione Diesel Motore Köhler Kdw 702 | Diesel Version Kohler Engine Kdw 702
Versión Diesel Motor Köhler Kdw 702 | Version Diesel Moteur Köhler Kdw 702
Diesel Version Köhler Motor Kdw 702 | Diesel Versie Köhler Motor Kdw 702
BOXER D PLUS

Table of Contents

Related product manuals