EasyManua.ls Logo

RCm BOXER Plus Series - ELECTRICAL WIRING DIAGRAM: SUPER BOXER D PLUS (PART 1)

Default Icon
96 pages
Print Icon
To Next Page IconTo Next Page
To Next Page IconTo Next Page
To Previous Page IconTo Previous Page
To Previous Page IconTo Previous Page
Loading...
A
71
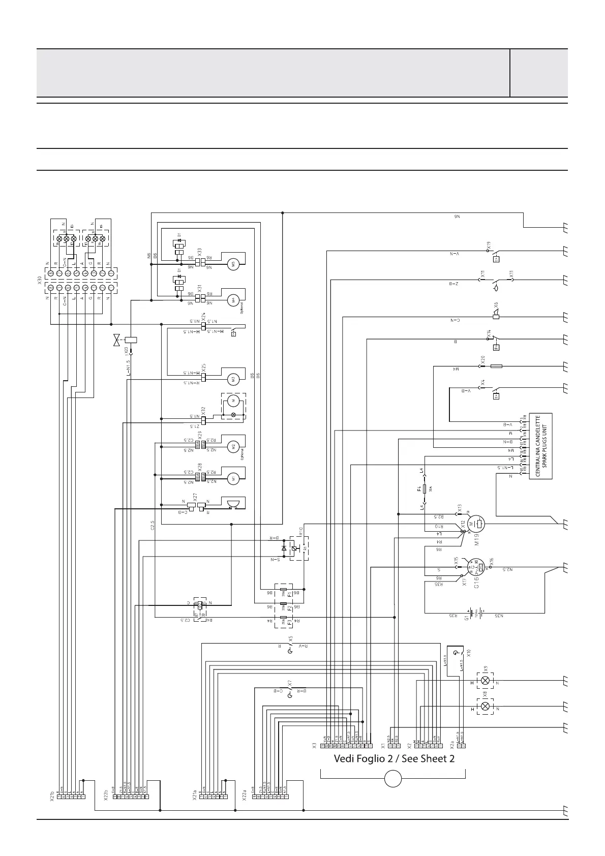
SCHEMA ELETTRICO
WIRING DIAGRAM  ESQUEMA ELÉCTRICO
SCHÉMA ÉLECTRIQUE  SCHALTPLAN  SCHAKELSCHEMA
FIG.19
1/2
Versione Diesel Motore Köhler KDW 1003 | Diesel Version Kohler Engine KDW 1003
Versión Diesel Motor Köhler KDW 1003 | Version Diesel Moteur Köhler KDW 1003
Diesel Version Köhler Motor KDW 1003 | Diesel Versie Köhler Motor KDW 1003
SUPER BOXER D PLUS

Table of Contents

Related product manuals