EasyManua.ls Logo

RCm BOXER Plus Series - ELECTRICAL WIRING DIAGRAM: BOXER SK PLUS (PART 1)

Default Icon
96 pages
Print Icon
To Next Page IconTo Next Page
To Next Page IconTo Next Page
To Previous Page IconTo Previous Page
To Previous Page IconTo Previous Page
Loading...
A
75
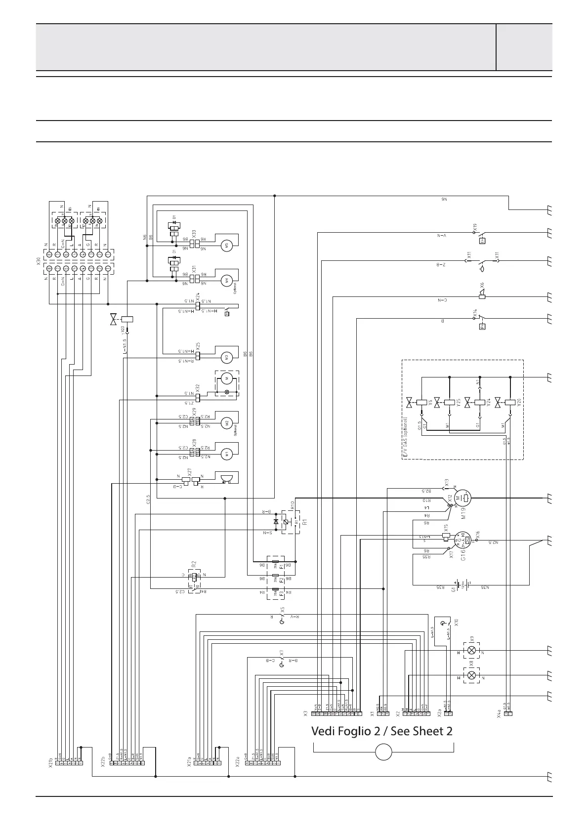
SCHEMA ELETTRICO
WIRING DIAGRAM  ESQUEMA ELÉCTRICO
SCHÉMA ÉLECTRIQUE  SCHALTPLAN  SCHAKELSCHEMA
FIG.20
1/2
Versione Benzina-Gpl Motore Kubota WG 752 | Petrol-Lpg Version Kubota Engine WG 752
Versión Gasolina-Glp Motor Kubota WG 752 | Version Essence-Gpl Moteur Kubota WG 752
Benzin-Lpg Version Kubota Motor WG 752 | Benzine-Lpg Versie Kubota Motor WG 752
BOXER SK PLUS

Table of Contents

Related product manuals