EasyManua.ls Logo

Regency G800EC - Optional Wall Thermostat; Wiring Diagram with Optional Thermostat; Operation Using an Optional Wall Thermostat

Regency G800EC
92 pages
Print Icon
To Next Page IconTo Next Page
To Next Page IconTo Next Page
To Previous Page IconTo Previous Page
To Previous Page IconTo Previous Page
Loading...
Grandview® G800EC Gas Fireplace | 71
installation
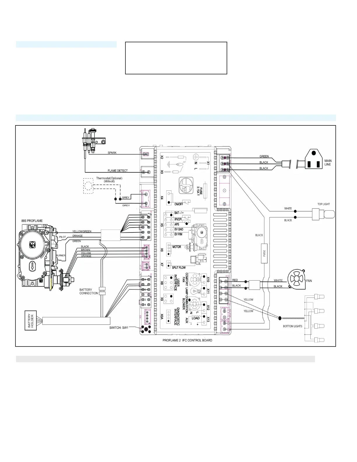
Optional Wall Thermostat
A wall thermostat may be installed if desired.
Connect the wires as per the wiring diagrams.
Note: Preferable if the thermostat is installed
on an interior wall.
Regency
®
offers an optional programmable
thermostat but any 250-750 millivolt rated non-
anticipator type thermostat that is CSA, ULC or
UL approved may be used.
CAUTION
Do not connect the millivolt
wall thermostat wires
Wiring Diagram with Optional thermostat
Operation Using an Optional Wall Thermostat
This unit ships with a full function remote control as standard equipment. This allows for basic on/off function as well as the ability to operate as
a thermostat. With the addition of an optional wall cradle (820-477-AWT available from an authorized dealer) the remote can reside on a wall and
carry out all the functions of a typical millivolt wall thermostat as well as being able to control the fan speed, and the flame height. This is the recom-
mended procedure for operating the unit with a thermostatic set point.
If a millivolt wall thermostat is required for bedroom installation or as preferred method of controlling the stove, see noted option.
Wall thermostat and remote. Set the wall thermostat to the desired set point, then place the remote transmitter in either SMART or thermostatic
mode with a set point 5 degrees above the set point on the wall thermostat. The burner will fire until the set point on the wall thermostat is satisfied.
The remote will remain connected and allow full control of all accessories.

Table of Contents

Related product manuals