EasyManua.ls Logo

REMEHA Selecta - Filling the System; Make up Water

REMEHA Selecta
73 pages
Print Icon
To Next Page IconTo Next Page
To Next Page IconTo Next Page
To Previous Page IconTo Previous Page
To Previous Page IconTo Previous Page
Loading...
25
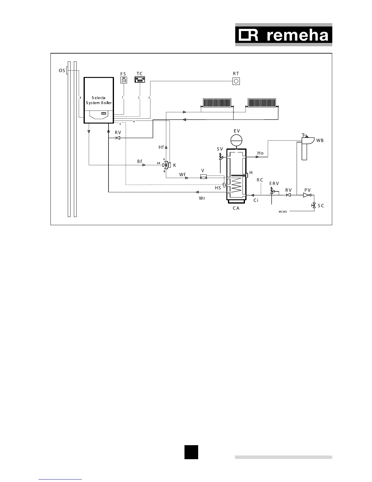
Fig. 15 Hydraulical example Selecta system boiler (use in conjunction with electrical
drawing Fig. 18)
pdf
4.6.8 Filling the system/ make up water
For initial filling and topping up, the system must be connected to the mains cold water
using a standard mains fill kit (which complies with local water byelaws) and pressu-
rised to 1 bar.
Cable legend
1 = 3 amp fused supply (not supplied)
2 = external volt free switching time clock
(not supplied)
3 = room thermostat (not supplied)
4 = diverting valve cable (
supplied with optional kit No. 1)
5 = HWS sensor cable
(supplied with optional kit No. 1)
6 = outside sensor (optional)
Legend
OS = outside sensor (optional)
FS = 3 amp permanent fused supply
(not supplied)
TC = external time clock with volt free
switching (not supplied)
RT = room thermostat (not supplied)
WB = wash hand basin
SC = stop cock
Ho = hot water outlet
Ci = cold water inlet
Hf = heating circuit flow
Bf = boiler flow
Wf = hot water primary flow
Wr = hot water primary return
K = kit No. 1 - 3 port diverting valve (optional)
V = 2 port valve
HS = sensor to be immesed inside
thermostat pocket
SV = temperature and pressure safety valve
EV = expansion vessel
H = immersion heater
RC = optional secondery return connection
ERV = expansion relief valve
PV = pressure reducing valve
RV = non return valve
CA = stainless steel calorifier

Table of Contents

Related product manuals