EasyManua.ls Logo

Rion NL-21 - Page 15

Rion NL-21
164 pages
Print Icon
To Next Page IconTo Next Page
To Next Page IconTo Next Page
To Previous Page IconTo Previous Page
To Previous Page IconTo Previous Page
Loading...
3
Outline
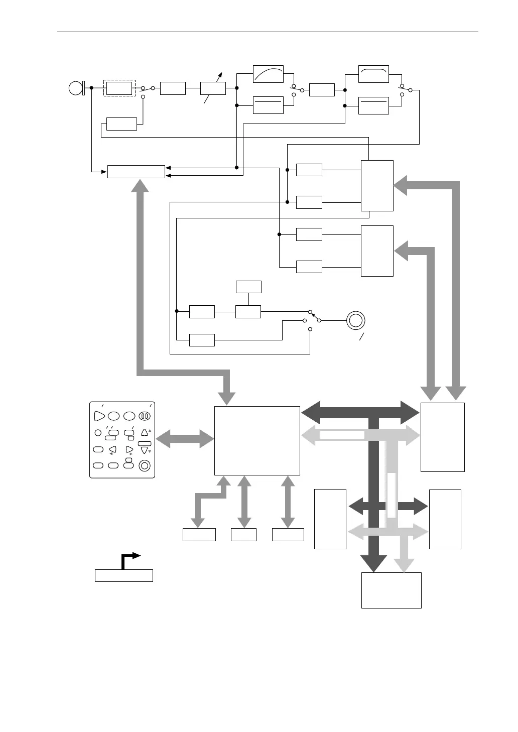
M I C / P r e a m p
A M P 1 A M P 2
A M P 6
A M P 7
A C O U T
D C O U T
F I L T E R O U T
K E Y S W
A T T
O V E R L O A D D E T .
S t a r t
S t o p
S t o r e M o d e
P a u s e
C o n t
F a s t
S l o w
M e n u
P a g e
R a n g e
R e c a l l
F r e q
L i g h t P r i n t
P o w e r
R e c a l l
d a t a
D o w n
C a l a d j
C a l
U p
A C
F L A T
E 2 P R O M C L K R S - 2 3 2 - C
P O W E R S U P P L Y
L C D
R A M
D S P
C P U
A / D
D / A
C O N V .
A
F L A T
A M P 3
C
F L A T
A M P 4
A M P 5
A / D
D / A
C O N V .
A C D C O U T
, ) 6 ) * 7 5
A D D R E S S B U S
, ) 6 ) * 7 5
C A R D
I N T E R F A C E
A M P 8 A M P 1 0
V r e f .
A D D R E S S B U S
A M P 9
C A L . S I G .
A T T i s p l a c e d o n o n l y N L - 3 1 .
NL-21 / NL-31 Block Diagram

Related product manuals