EasyManua.ls Logo

ROBOTIQ 2-Finger 85 - Coupling for ISO 9409-1-40-4-M6

ROBOTIQ 2-Finger 85
127 pages
Print Icon
To Next Page IconTo Next Page
To Next Page IconTo Next Page
To Previous Page IconTo Previous Page
To Previous Page IconTo Previous Page
Loading...
Robotiq 2-Finger Adaptive Gripper Instruction Manual
Robotiq inc. © 2016 96
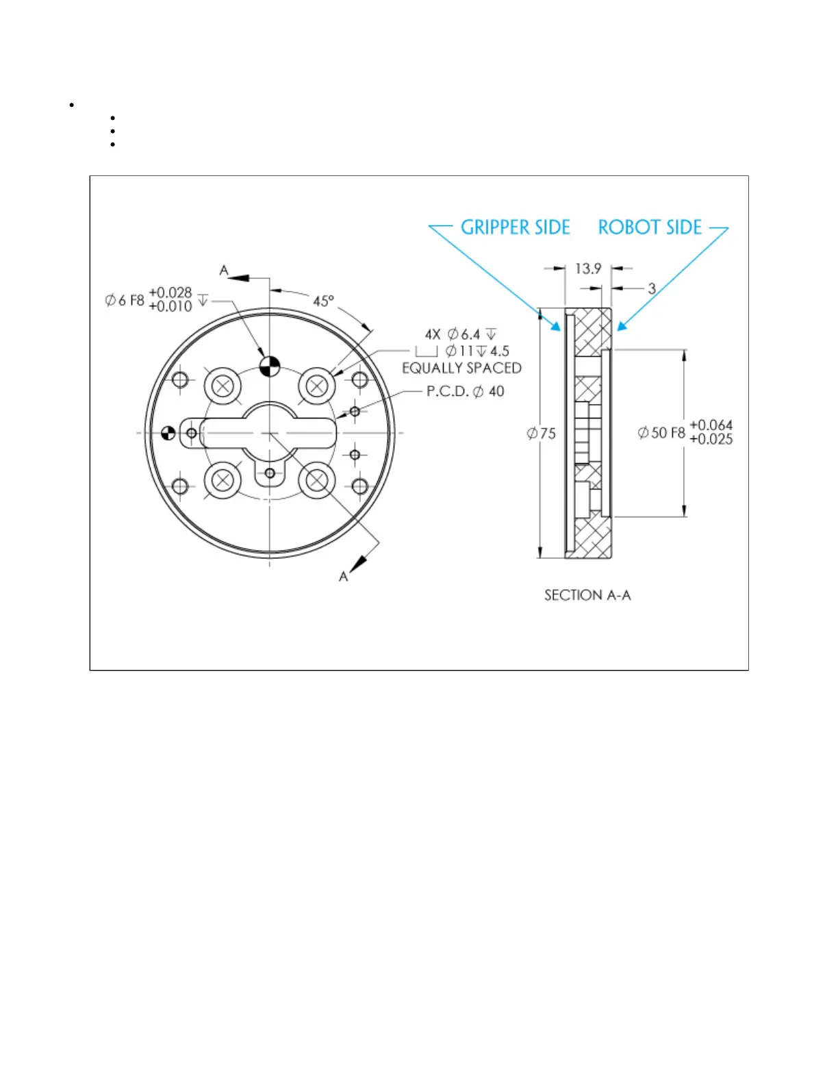
Coupling for ISO 9409-1-40-4-M6
Bolt pattern for coupling (see ) is compatible with :AGC-CPL-064-002 Spare Parts, Kits and Accessories section
40 mm pitch circle diameter :
(4) M6-1.0 low head cap screw clearancesocket
(1) M6 indexing pin
ISO 9409-1 standard 40-4-M6
Figure 6.1.1.4 : Coupling for ISO 9409-1-40-4-M6.

Table of Contents

Related product manuals