EasyManua.ls Logo

Rosco RB48 - Instrument, Fuse Panel

Rosco RB48
174 pages
Print Icon
To Next Page IconTo Next Page
To Next Page IconTo Next Page
To Previous Page IconTo Previous Page
To Previous Page IconTo Previous Page
Loading...
Parts Book 6. 26 ROSCO - A LeeBoy Company
ITEM PART NO. QTY DESCRIPTION
RB48 BROOM
REF.
REV.
28032
0
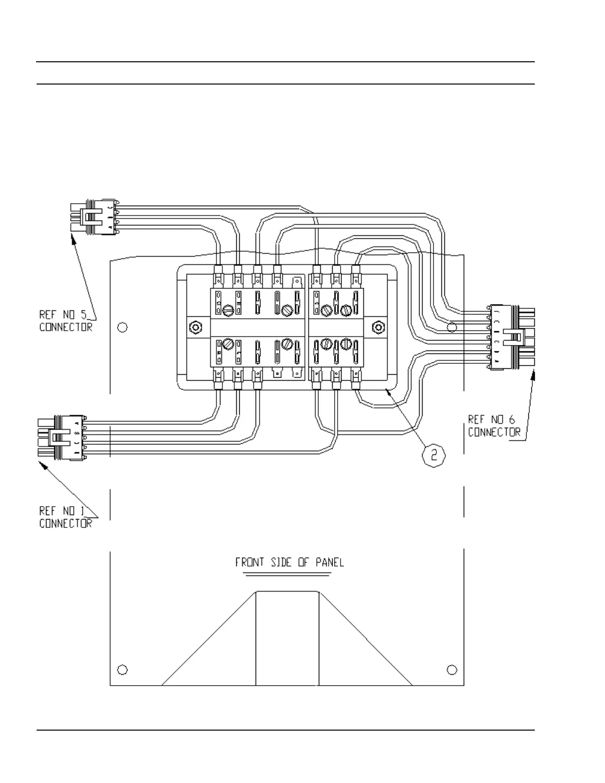
INSTRUMENT, FUSE PANEL
1 .............. 21078............ 1.00 ............... INSTRUMENT PANEL W/M,RB48
2 .............. 26970............ 1.00 ............... FUSE PANEL SUB-ASSY (See Detail Following)
3 .............. 36696............ 1.00 ............... DECAL,FUSE PANEL
4 .............. 38504............ 1.00 ............... DECAL,FUSE PANEL
5 .............. 81106............ 6.00 ............... CSBHS,.250-20X.75,SS
6 .............. 80160............ 6.00 ............... WASHER,SPLIT LOCK,.250

Table of Contents