EasyManua.ls Logo

Rosco RB48 - Driveshaft

Rosco RB48
174 pages
Print Icon
To Next Page IconTo Next Page
To Next Page IconTo Next Page
To Previous Page IconTo Previous Page
To Previous Page IconTo Previous Page
Loading...
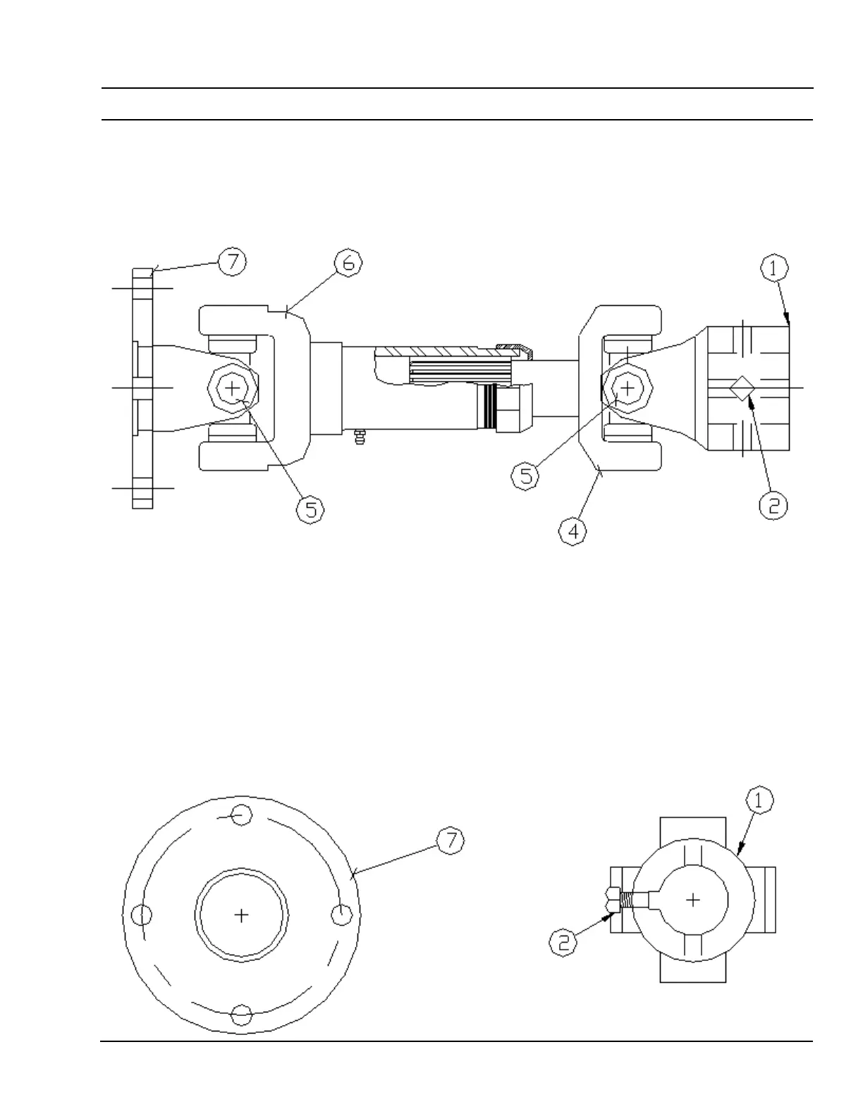
ROSCO - A LeeBoy Company 6. 35 Parts Book
REF.
REV.
RB48 BROOM
1 .............. 35326-1......... 1.00 ............... YOKE SHAFT
2 .............. 35326-6......... 1.00 ............... WIRE LOCKING SET SCREW
4 .............. 35603-02....... 1.00 ............... END YOKE,DRIVESHAFT
5 .............. 38294............ 2.00 ............... BEARING CROSS KIT
6 .............. 35603-03....... 1.00 ............... SLIP YOKE,DRIVESHAFT
7 .............. 35603-04....... 1.00 ............... FLANGE YOKE,DRIVESHAFT
ITEM PART NO. QTY DESCRIPTION
DRIVESHAFT
35603
D

Table of Contents