EasyManua.ls Logo

Rosco RB48 - Page 87

Rosco RB48
174 pages
Print Icon
To Next Page IconTo Next Page
To Next Page IconTo Next Page
To Previous Page IconTo Previous Page
To Previous Page IconTo Previous Page
Loading...
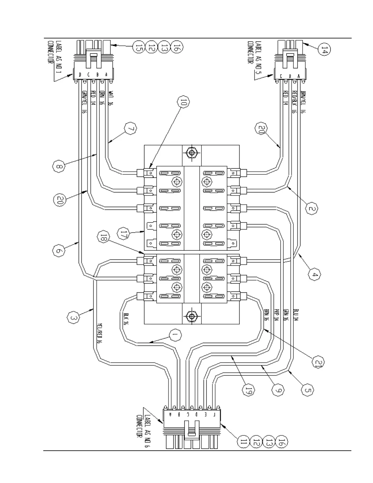
ROSCO - A LeeBoy Company 6. 29 Parts Book
REF.
REV.
RB48 BROOM
26970
0
FUSE PANEL SUB-ASSEMBLY

Table of Contents