EasyManua.ls Logo

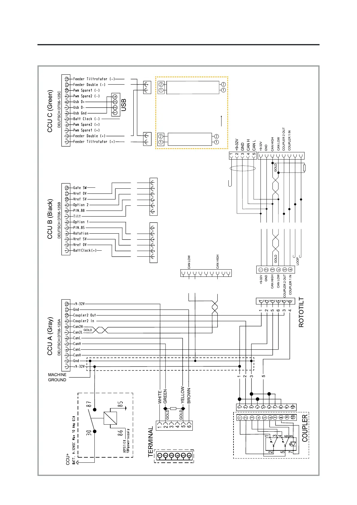
ROTOTILT ICS - Machine Electrical Diagram

ROTOTILT ICS
39 pages
Print Icon
To Next Page IconTo Next Page
To Next Page IconTo Next Page
To Previous Page IconTo Previous Page
To Previous Page IconTo Previous Page
Loading...
© Rototilt Group AB 2018-04-18
schema:7
GND
CAN2H
CAN2L
CANH
CANL
+9-32 V
HARNESS BOOM
1
2
3
4
5
5
4
3
2
1
BLACK
RED
YELLOW
2
2
1
1
LEFT
RIGHT
FEEDER
FEEDER
DOUBLE
120
1
2
5
6
3
4
7
8
1
2
3
4
5
6
7
8
120
Combi hydraulic (HEX)
MP / HP2 (WHEX)
MediumP/swingboom (HEX)
Steering / MCV (WHEX)
OPTION1
(PRECONFIGURED)
ROTOTILT IS
POWERED BY HP2
OPTION2
THE 2 CONVER-
TERS CHANGES
PLACE & ROTOTILT
IS POWERED BY
MCV
ELECTRONIC
VOLTAGE
CONVERTER
24 5.6V
Applicable for WHEX & HEX F-series
Hella 12 V relay
1
2
3
4
5
6
7
8
9
GREEN
BROWN
YELLOW
CAN2
Machine electrical diagram
English
EN
EN -
2200230_ _7225

Table of Contents

Other manuals for ROTOTILT ICS

Related product manuals