EasyManua.ls Logo

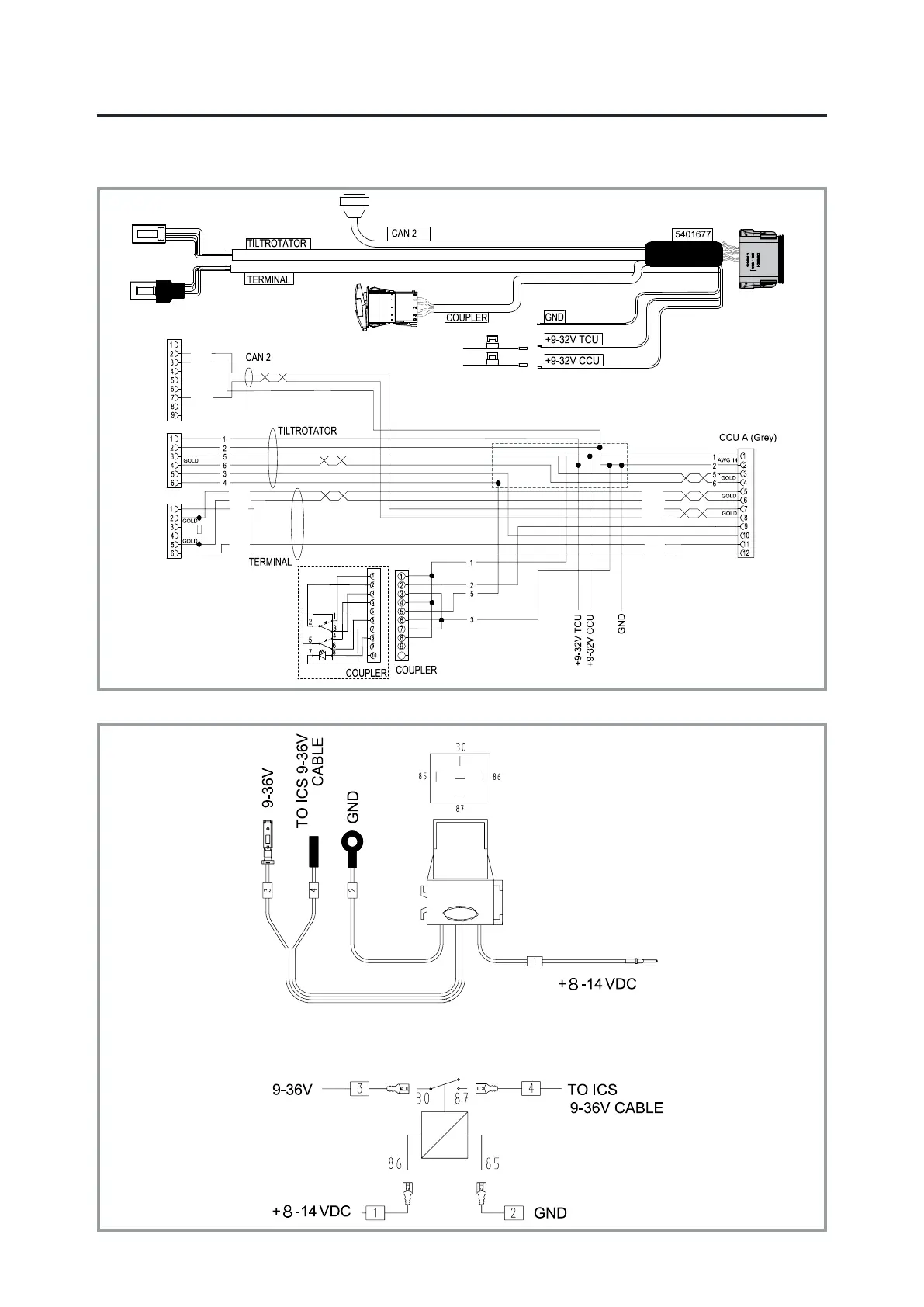
ROTOTILT ICS - Cabin Harness A and Relay Feed; Cabin Harness A; Relay Feed

ROTOTILT ICS
39 pages
Print Icon
To Next Page IconTo Next Page
To Next Page IconTo Next Page
To Previous Page IconTo Previous Page
To Previous Page IconTo Previous Page
Loading...
© Rototilt Group AB 2018-04-18
schema:9
Green
Brown
Yellow
White
Gnd
CanH
CanL
Can2H
Can2L
CanH
CanL
CanH
CanL
CanH
CanL
Can2H
Can2L
CanH
CanL
+9-32 V
Green
Brown
Gnd
Coupler1 In
Coupler2 Out
+9-32 V
Yellow
Gnd
+9-32 V
Green
Brown
Yellow
White
Gnd
Coupler2 In
Coupler2 Out
+9-32 V
Green
Yellow
10
Cabin Harness A
Relay Feed
English
EN
EN -
2200230_ _7225

Table of Contents

Other manuals for ROTOTILT ICS

Related product manuals