EasyManua.ls Logo

Saeco Classic - Water System (Royal Cappuccino Redesign)

Saeco Classic
143 pages
Print Icon
To Next Page IconTo Next Page
To Next Page IconTo Next Page
To Previous Page IconTo Previous Page
To Previous Page IconTo Previous Page
Loading...
4. FUNCTION/TIMING ROYAL
Page 6/22 REV.4 SEPT.2003 Saeco International Group
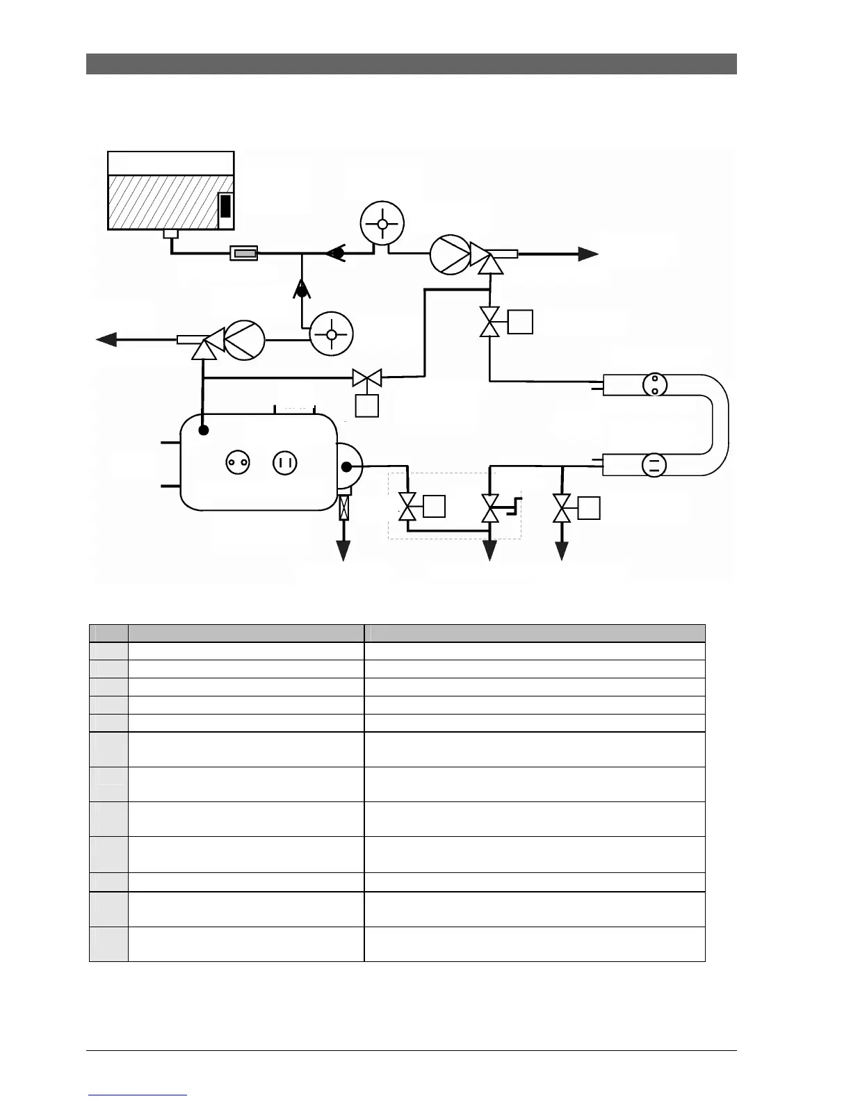
1.5. Water system (Royal Cappuccino Redesign)
Component
Function
1 Water tank
Water supply
2 Float
Water level monitoring
3 Water filter
Water cleaned of solid matter
4 Flow meter System 1
Measure flow rate
5 Flow meter System 2
Measure flow rate
6 Pump System 1
Water flow/Pressure build-up
(13 to15 bar)
7 Pump System 2
Steam dispensing/Pressure build-up
(13 to15 bar)
8 Safety valve
Protect instantaneous water heater against overpressure
(opens at 17 bar)
9 Instantaneous water heater/Heating
(coffee/hot water)
Heats water to approx. 94°C
(for brewing process and hot water preparation)
10 Pipe heating / Heating (steam)
Steam generation / Temperature approx. 130°C
11 Sensor (KTY)
System 1 (Water)
Transmits current temperature value to electronic
system
12 Thermostat
System 1 (Water)
Alternates current supply for heating system in event
of overheating.
1Water tank
2 Float
5 Flow meter
3 Water filter
6 Pump1
7 Pump2
4 Flow meter
8 Savety valve
8 Savety valve
Heating
437W
Heating
1090W
Heating
1090W
13 Sensor
14 Thermostat
170°C
14 Thermostat
170°C
11 Sensor
19 Valve
steam
20 Valve
Bypass
10 Pipe heating
9 Instanteanous
water heater
To brewing unit
Hot water/steam
Cappuccinatore
16Steam
valve
18
valve
water
15 Boiler
pin
17 valve
cappuccinatore

Table of Contents

Related product manuals