EasyManua.ls Logo

Saeco Classic - Control Panel (Royal Digital; Exclusive)

Saeco Classic
143 pages
Print Icon
To Next Page IconTo Next Page
To Next Page IconTo Next Page
To Previous Page IconTo Previous Page
To Previous Page IconTo Previous Page
Loading...
4. FUNCTION/TIMING ROYAL
Page 14/22 REV.4 SEPT.2003 Saeco International Group
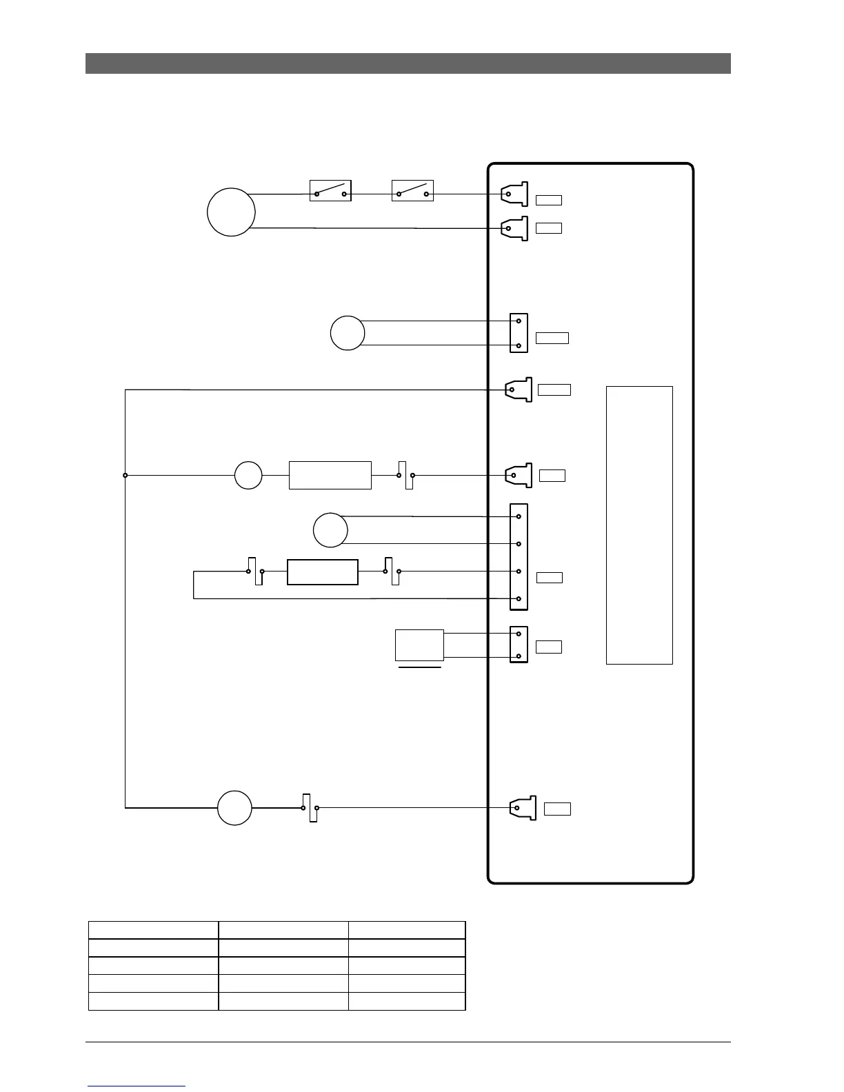
2.2.2. Control panel (Royal Digital / Exclusive)
Pump
Approx. 190V~
Diode in pump
Mains switch
230 V~
Door microswitch
230 V~
Doser coil
230 V~ / 300Ohm
Microfuse F1
230 V~ / 8AT
M2
Tassen-
wärmer
TS
Dosier-
magnet
M1
Mahlwerk-
motor
Getriebemotor
JP3
J 2
J 1
JP9
JP7
N-Filt
Tür-
schalter
Haupt-
schalter
TSI-
Tassenwärmer
TSI-
Tassenwärmer
JP2
JP16
P
Durchlauferh.
Pumpe-
System 1
TSI-Pumpe
Thermostat
Durchlauferh.
TSI-
Durchlauferh.
Leistungsplatine
JP1
Door
switch
Main
switch
T-fuse
Boiler
Thermostat
Boiler heating
Boiler
T
-
fuse
Cup warmer
T-fuse
Cup warmer
Gear motor
Cup warmer
Dosing
magnet
T-fuse
Pump
Grinder
motor

Table of Contents

Related product manuals