EasyManua.ls Logo

Saeco Classic - CPU - in; out (Royal Classic); Electrical System

Saeco Classic
143 pages
Print Icon
To Next Page IconTo Next Page
To Next Page IconTo Next Page
To Previous Page IconTo Previous Page
To Previous Page IconTo Previous Page
Loading...
4. FUNCTION/TIMING ROYAL
Page 12/22 REV.4 SEPT.2003 Saeco International Group
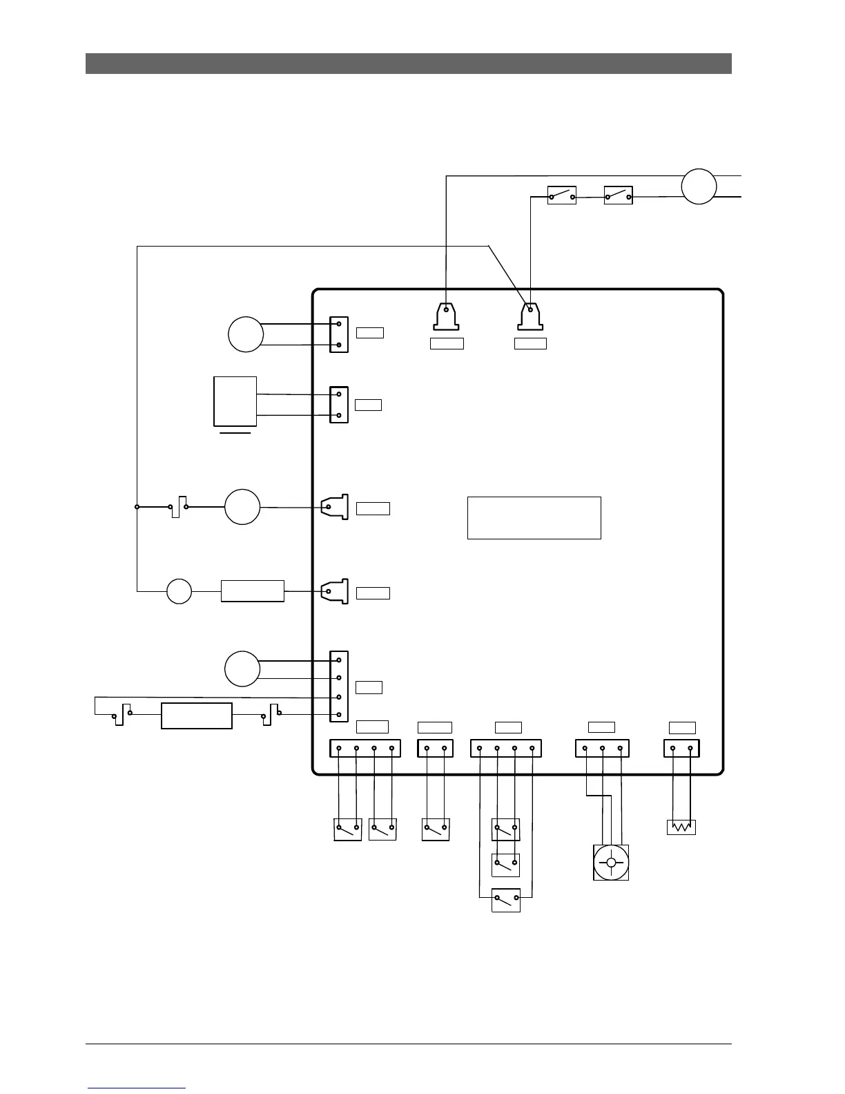
2. Electrical system
2.1. CPU – IN / OUT (Royal Classic)
M2
Tassen-
wärmer
P
Boilerheiz.
TS
Dosier
mag-
net
M1
Mahlwerk-
motor
Getriebemotor
JP12
JP8
JP1
JP2
JP13
JP11 JP10
JP15
JP14
JP3
JP4
JP7
N-
Filt
Tür-
schalter
Haupt-
schalter
Pumpe
TSI-
Pumpe
TSI-
Tassenwärmer
TSI-
Tassenwärmer
Thermostat
Boiler
MS1-
Getriebe
schalter
MS2-
Getriebe
schalter
Dosier
schalter
HWD-schalter
Flow-
meter
Temp.
Sensor
MS
Brüh-
gruppe
MS Satz-
schublade
CPU
Door
switch
Main
switch
Grinder
motor
Dosing
magnet
T-fuse
Pump
Thermostat
Boiler heating
T-fuse
cupwarmer
T-fuse
cupwarmer
Boiler
Gear motor
Cup warmer
MS1
Gear
switch
home pos.
MS2
Gear
switch
brew pos.
Dosing
switch
Hot water/
Steam switch
MS brew
unit
MS dregs
drawer
Flow
meter
Thermo
sensor

Table of Contents

Related product manuals