EasyManua.ls Logo

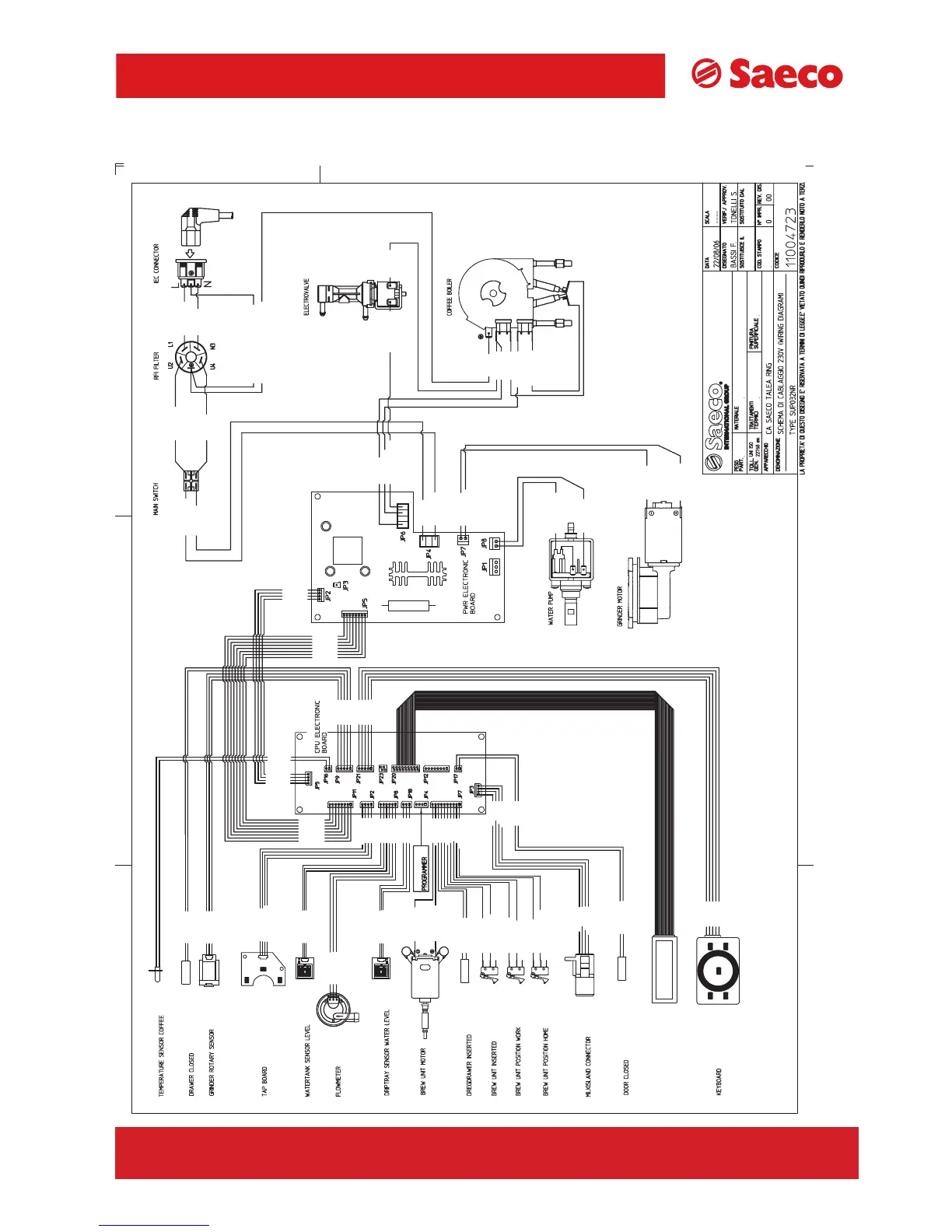
Saeco Talea Touch - Talea Ring Wiring Diagram

Saeco Talea Touch
60 pages
Print Icon
To Next Page IconTo Next Page
To Next Page IconTo Next Page
To Previous Page IconTo Previous Page
To Previous Page IconTo Previous Page
Loading...
Ideas with Passion
Talea Ring
3/5
TALEA Section 04
REV00 - August 06
DIPLAY
BLACK
BLACK
WHITE
BLACK
BLACK
BLACK
BLACK
BLACK
BLACK
BLACK
WHITE
BLACK
BLACK
BLACK
GREEN
BLACK
RED
YELLOW
BLACK
BLACK
BLUE
BLACK
GREEN
RED
BLACK
BLACK
BLACK
BLACK
BLACK
BLACK
BLACK
BLACK
BLACK
BLACK
BLACK
BLACK
BLACK
BLACK
BLACK
BLACK
BLACK
BLACK
BLACK
BLACK
BLACK
BLACK
BLACK
BLACK
BLACK
WHITE
BLACK
BLACK
BLACK
BLACK
BLACK
YELLOW
WHITE
RED
BLACK
GREEN
BLACK
RED
GREEN
BLUE
BLACK
BLACK
BLACK
BLAC
K
BLAC
K
BLAC
K
RED
RED
BLACK
BLACK
BLACK
BLACK
BLACK
BLACK
BLACK
BLACK
BLACK
BLACK
BLACK
BLACK
BLUE
BLUE
BLACK
BLUE
YELLOW-GREEN
YELLOW-GREEN
YELLOW
BLUE
Y-
G
BLUE
BLUE
BLUE
BLACK
BLACK
BLACK
BLACK
BLACK
BLACK
YELLOW
BLUE
BLUE
WHITE
YELLOW
BLACK
WHITE
BLACK
BLAC
K
BLAC
K
BLAC
K
BLACK
BLAC
K
BLACK
BLAC
K
BLACK
BLACK
BLACK
BLACK

Table of Contents

Other manuals for Saeco Talea Touch

Related product manuals