EasyManua.ls Logo

Saeco Talea Touch - Talea Water Circuit Diagram

Saeco Talea Touch
60 pages
Print Icon
To Next Page IconTo Next Page
To Next Page IconTo Next Page
To Previous Page IconTo Previous Page
To Previous Page IconTo Previous Page
Loading...
Ideas with Passion
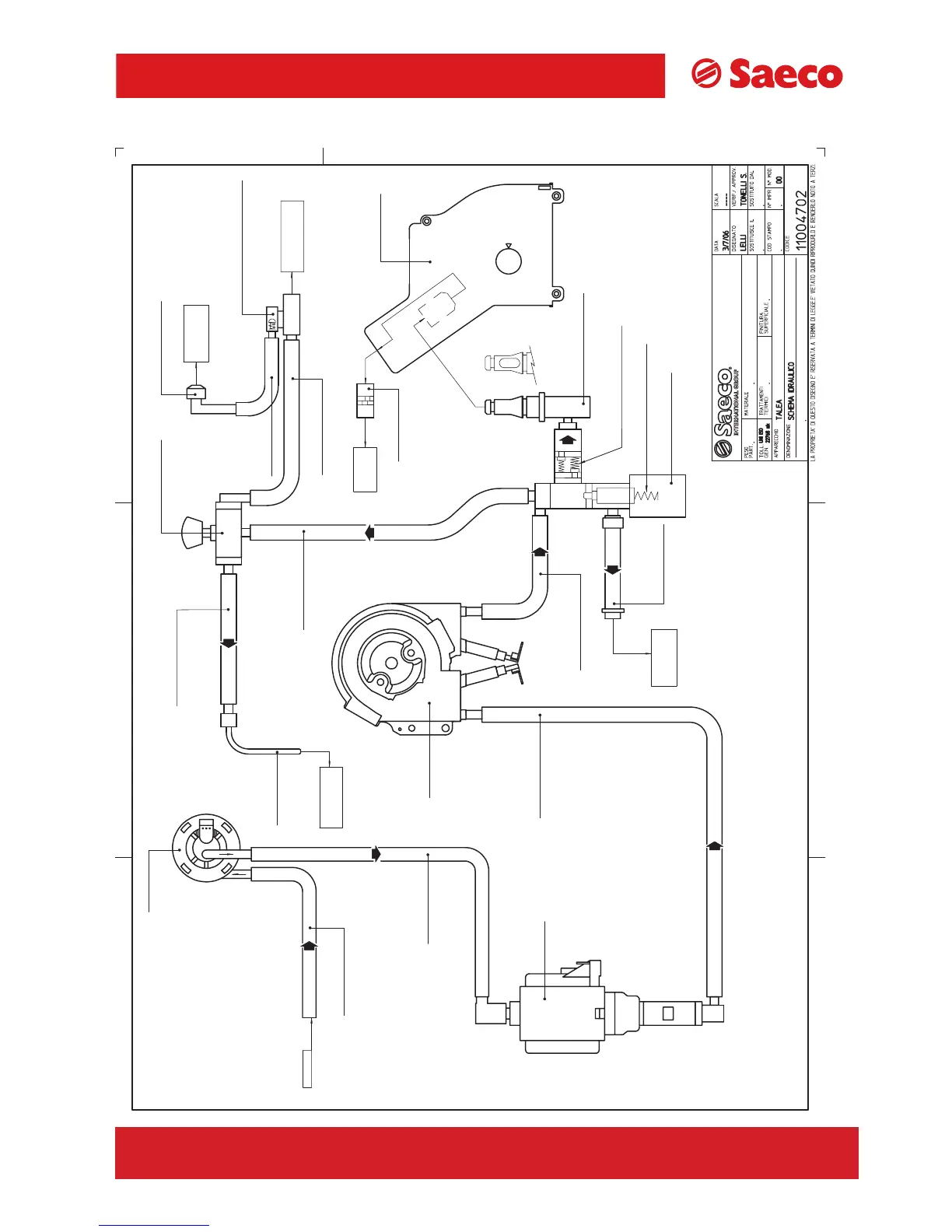
4.2 Talea water circuit
5/5
TALEA Section 04
REV00 - August 06
Turbine
Steam tube
Silicon tube
TANK
Silicon tube
Pump
Silicon tube
Reinforced silicon hose
Reinforced silicon hose
Reinforced silicon hose
Reinforced silicon hose
Reinforced silicon hose
STEAM/WATER
DISPENSE
1300W heater
WATER DRAINED
TO DRIP TRAY
Water drain connector
Water/steam valve
Water drain connector
WATER DRAINED
TO
TANK
COFFEE
DISPENSE
SBS valve
Connector with 3 bar relief valve
MILK ISLAND STEAM
DISPENSE
Brew unit
Brew unit pin
Coffee dispense valve (3-5 bars)
Drain valve
Relief valve (16-19 bars)

Table of Contents

Other manuals for Saeco Talea Touch

Related product manuals