EasyManua.ls Logo

Saeco TALEA - Page 84

Saeco TALEA
99 pages
Print Icon
To Next Page IconTo Next Page
To Next Page IconTo Next Page
To Previous Page IconTo Previous Page
To Previous Page IconTo Previous Page
Loading...
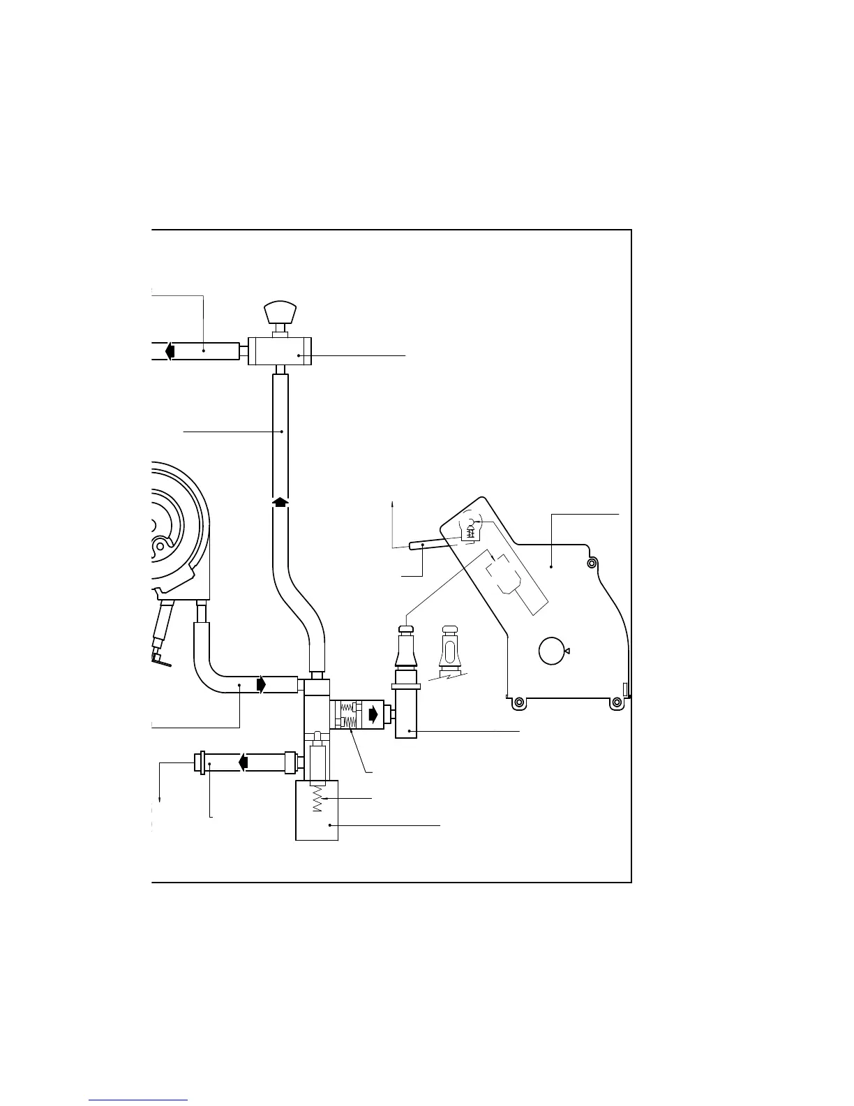
aced silicone tube
Lined-faced silicone tube
Hot water/steam faucet
Boiler‘s pin
Brewing unit
Coffee
dispensing
Dispensing valve
Dispensing coffee valve 3-5 bar
Drain valve
Safety valve 18 - 20
Lined-faced silicone tube
Pipe fi tting of
water drain
Water
draining

Table of Contents

Related product manuals