EasyManua.ls Logo

SAJ H2 - Connection Topology Diagrams

SAJ H2
92 pages
Print Icon
To Next Page IconTo Next Page
To Next Page IconTo Next Page
To Previous Page IconTo Previous Page
To Previous Page IconTo Previous Page
Loading...
H2 series
55
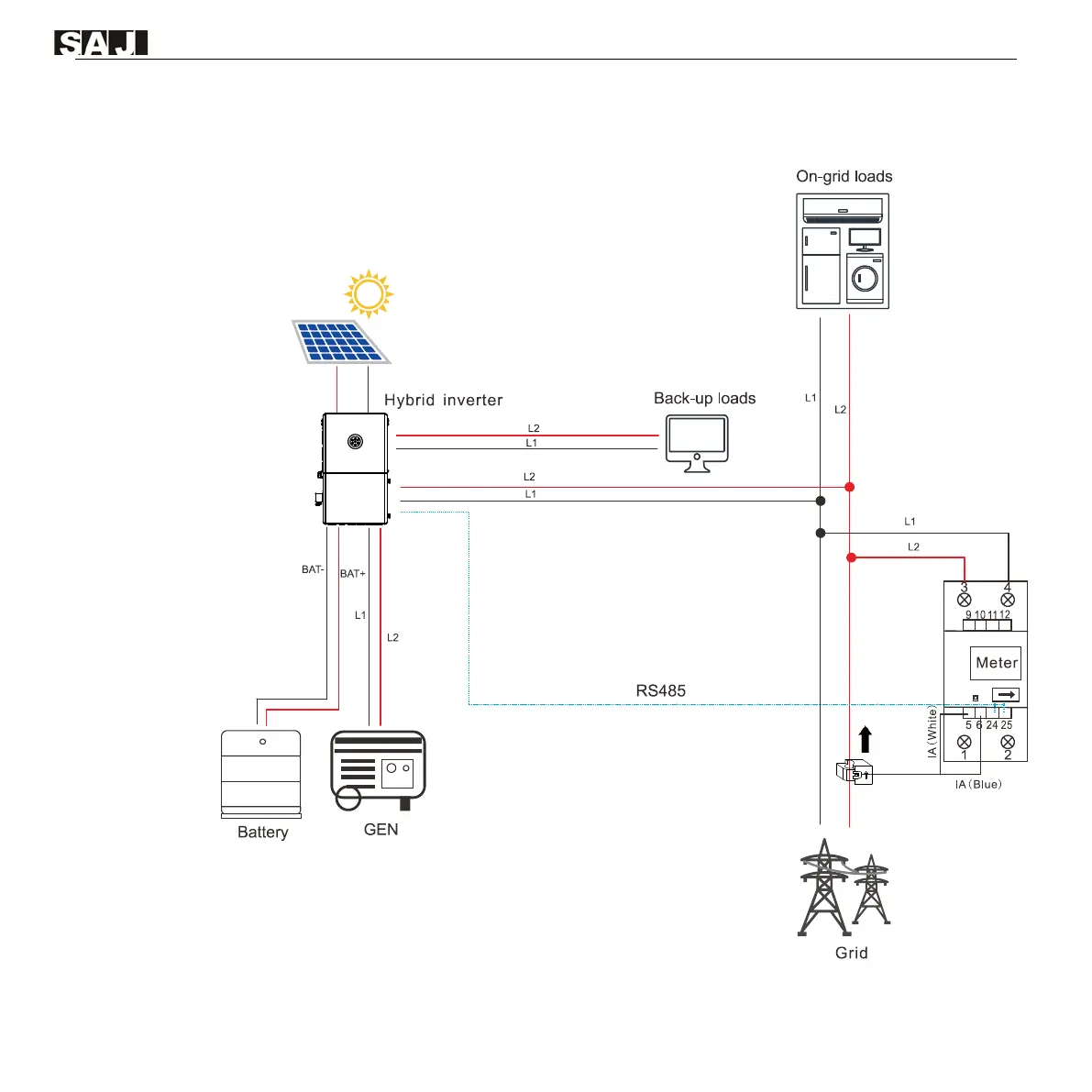
5.13.2. Connection topology diagrams
Figure 5.26. Single-phase

Table of Contents

Related product manuals