EasyManua.ls Logo

Samsung Electronics DVM Series - Page 110

Samsung Electronics DVM Series
228 pages
Print Icon
To Next Page IconTo Next Page
To Next Page IconTo Next Page
To Previous Page IconTo Previous Page
To Previous Page IconTo Previous Page
Loading...
ΙΙΙ
51
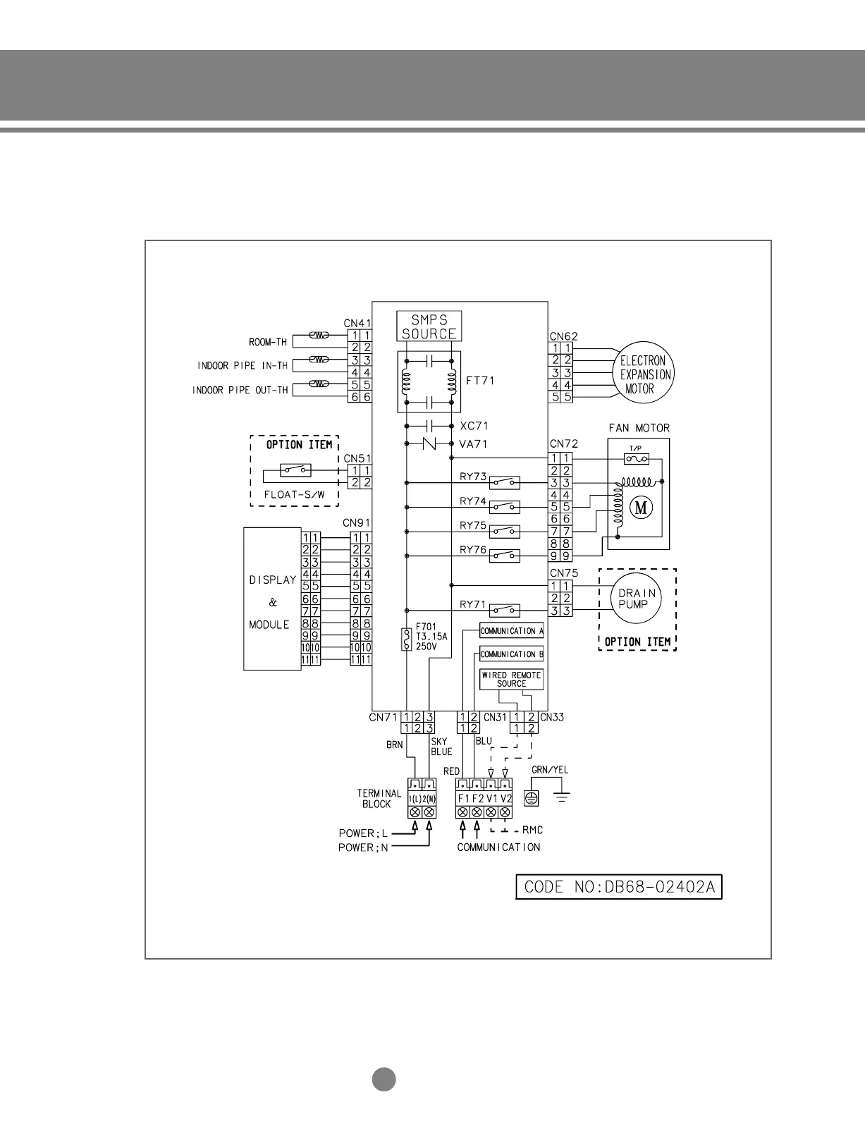
7-3. Duct type
(1) Cooling only (AVMDC
/ AVMBC
/ AVMHC
)
3-2.Indoor unit_TM_E_06890 2/27/03 10:14 AM Page 51

Table of Contents

Related product manuals