EasyManua.ls Logo

Samsung Electronics DVM Series - Heat Pump

Samsung Electronics DVM Series
228 pages
Print Icon
To Next Page IconTo Next Page
To Next Page IconTo Next Page
To Previous Page IconTo Previous Page
To Previous Page IconTo Previous Page
Loading...
21
ΙΛ
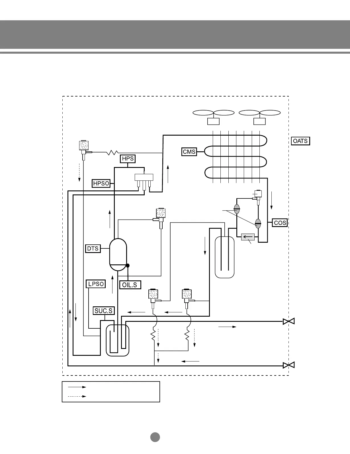
6-2. Heat pump
(1)
✻✻
050
✻✻
fanfan
motormotor
temperature
sensor
temperature
sensor
heat exchanger
high pressure
switch
high pressure
sensor
4-way
valve
(4-W/V)
temperature
sensor
low pressure
sensor
digital
scroll
com-
pressor
solenoid
valve (VBV)
solenoid valve
(HGBV)
solenoid
valve (LBV)
solenoid
valve
(PWM)
CCH
receiver
check valve
(C/V)
filter
electronic expansion
valve(EEV)
capillary
tube
capillary tube
capillary
tube
accumulator
flow direction of refrigerant(cooling)
bypass flow of protection actuated
oil sensor
suction
sensor
cond out
sensor
4-2.Outdoor unit_TM_E_06890 2/27/03 10:15 AM Page 21

Table of Contents

Related product manuals