EasyManua.ls Logo

Samsung Electronics DVM Series - Page 112

Samsung Electronics DVM Series
228 pages
Print Icon
To Next Page IconTo Next Page
To Next Page IconTo Next Page
To Previous Page IconTo Previous Page
To Previous Page IconTo Previous Page
Loading...
ΙΙΙ
53
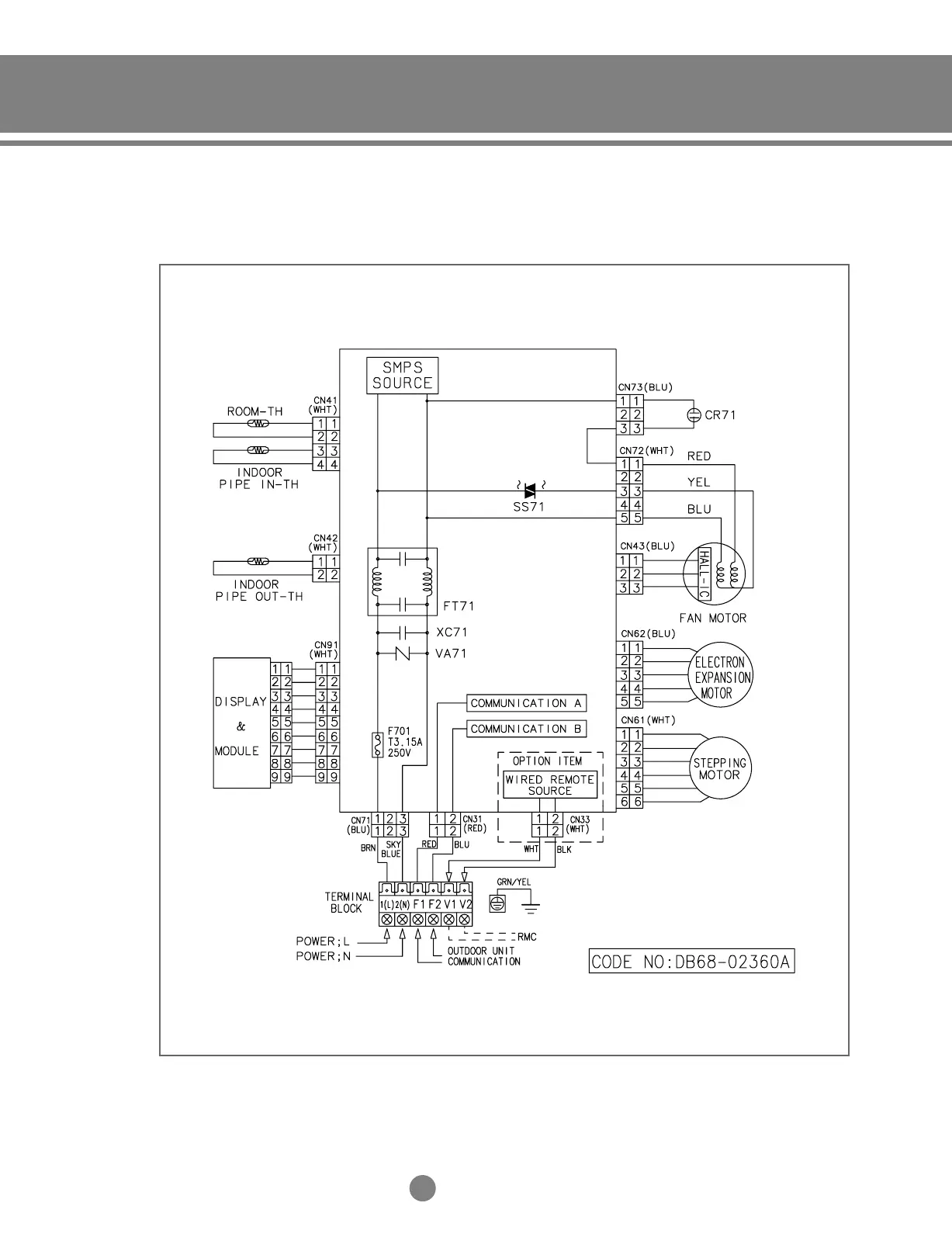
7-4. Wall-mounted type
(1) Cooling only (AVMWC
)
3-2.Indoor unit_TM_E_06890 2/27/03 10:14 AM Page 53

Table of Contents

Related product manuals