EasyManua.ls Logo

Samsung Electronics DVM Series - Page 157

Samsung Electronics DVM Series
228 pages
Print Icon
To Next Page IconTo Next Page
To Next Page IconTo Next Page
To Previous Page IconTo Previous Page
To Previous Page IconTo Previous Page
Loading...
19
ΙΛ
(2)
✻✻
100
✻✻
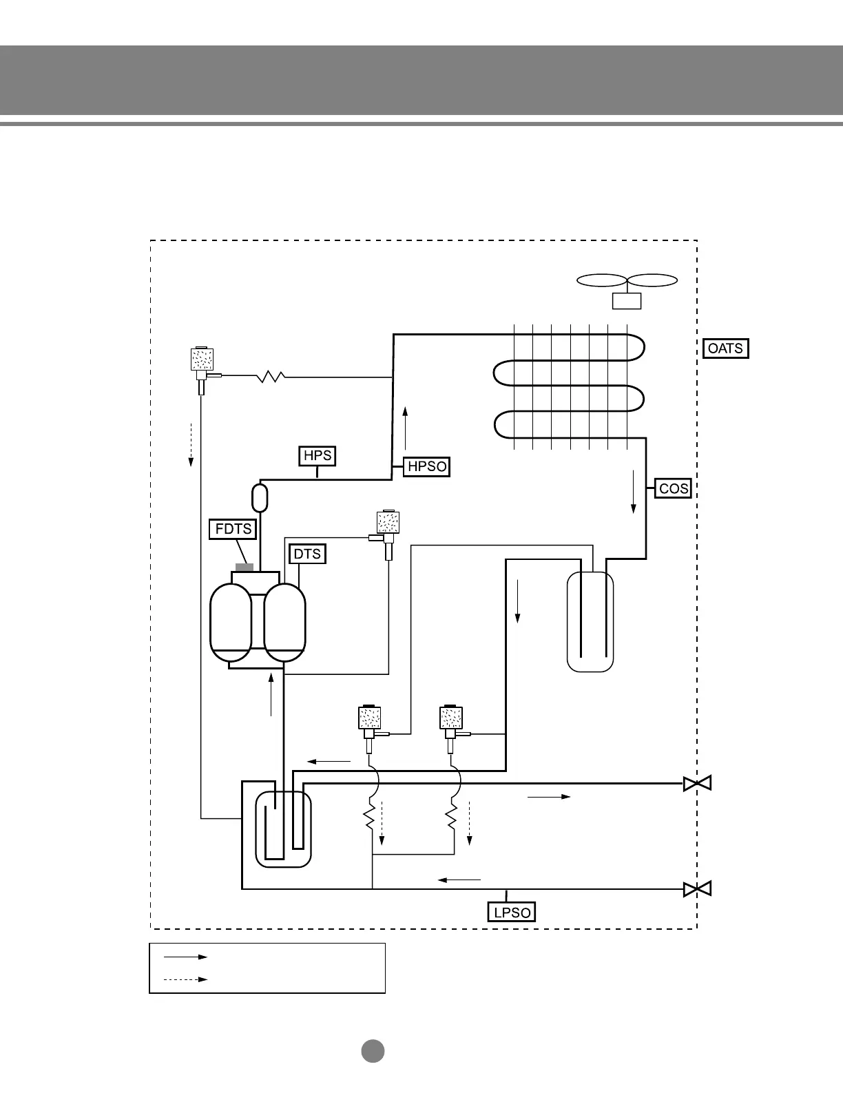
temperature
sensor
temper-
ature
sensor
fan
motor
temperature
sensor
cond out
sensor
heat exchanger
high pressure switch
high pressure
sensor
low pressure sensor
fixed
scroll
com-
pressor
digital
scroll
com-
pressor
solenoid
valve (VBV)
solenoid valve
(HGBV)
solenoid
valve (LBV)
solenoid valve
(PWM)
CCHCCH
Oil separator
receiver
capillary
tube
capillary tube
capillary
tube
accumulator
flow direction of refrigerant
bypass flow of protection actuated
4-1.Outdoor unit_TM_E_06890 2/27/03 10:14 AM Page 19

Table of Contents

Related product manuals