EasyManua.ls Logo

Sanyo PLC-SU20E - Page 50

Sanyo PLC-SU20E
100 pages
Print Icon
To Next Page IconTo Next Page
To Next Page IconTo Next Page
To Previous Page IconTo Previous Page
To Previous Page IconTo Previous Page
Loading...
-50-
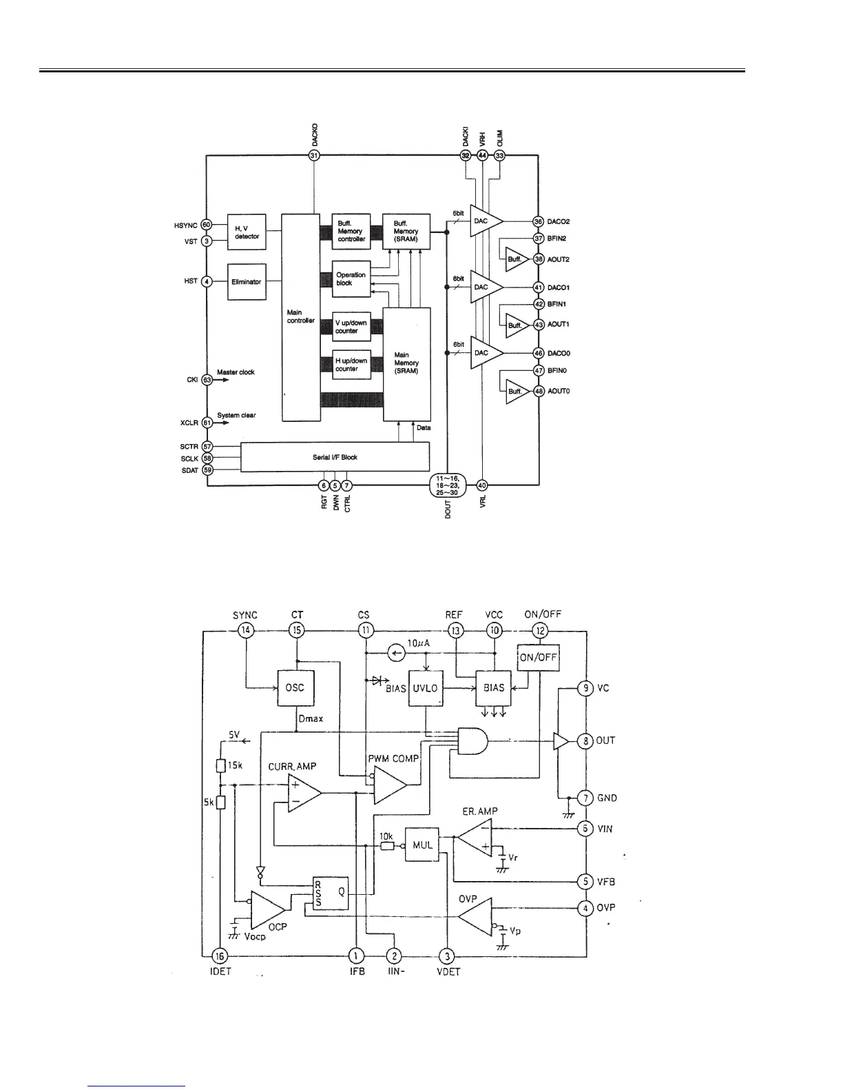
IC Block Diagrams
CXD3503R <White Uniformity Compensation, IC471>
FA5331M <Power Factor Control, IC01>

Related product manuals