EasyManua.ls Logo

Sanyo PLC-SU20E

Sanyo PLC-SU20E
100 pages
To Next Page IconTo Next Page
To Next Page IconTo Next Page
To Previous Page IconTo Previous Page
To Previous Page IconTo Previous Page
Loading...
-51-
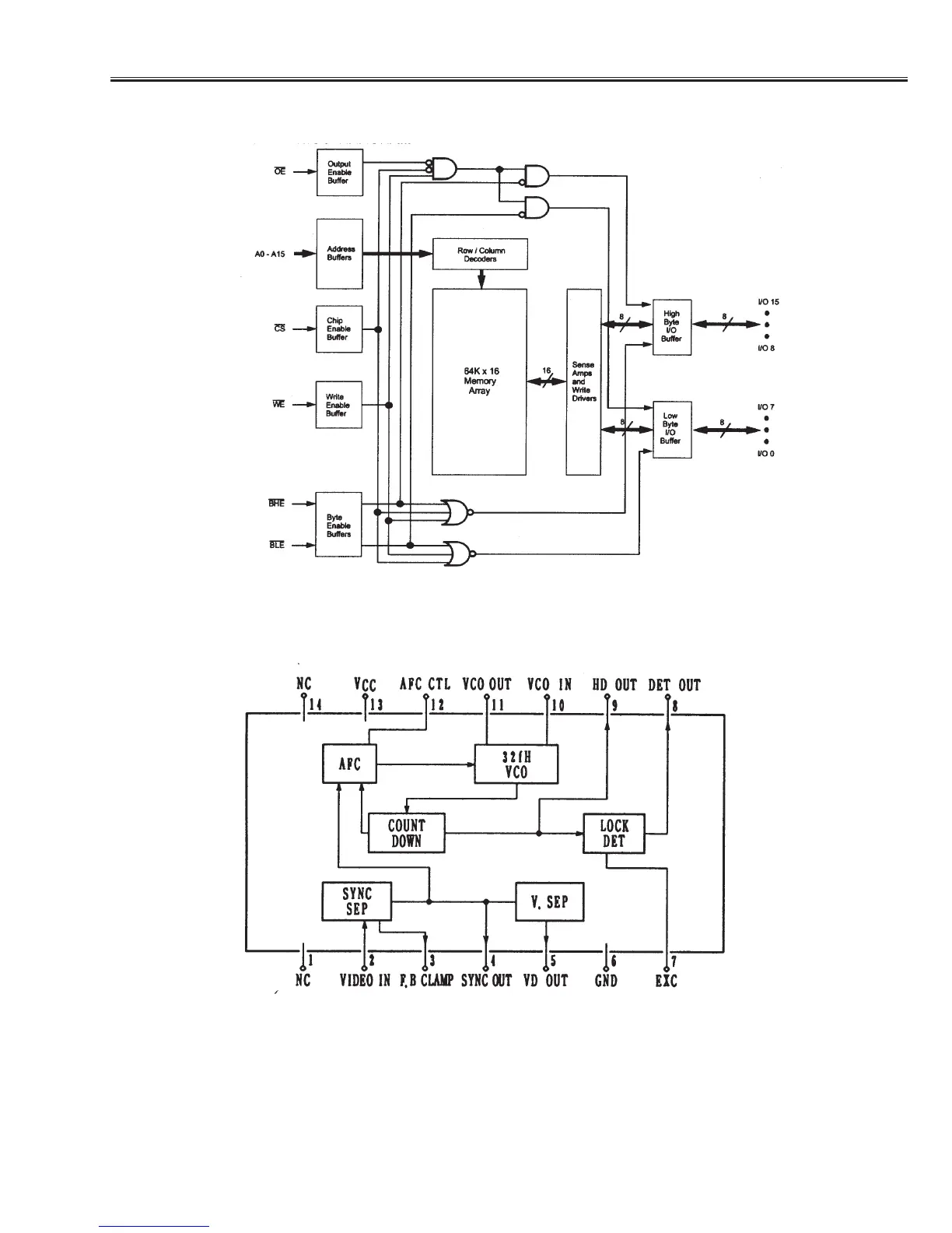
IC Block Diagrams
IDT71V016S <RAM, IC805>
LA7217M <Sync. Separator, IC6131>

Related product manuals